Texas Instruments CD74HC4094/CD74HCT4094シフトとストアバスレジスタ
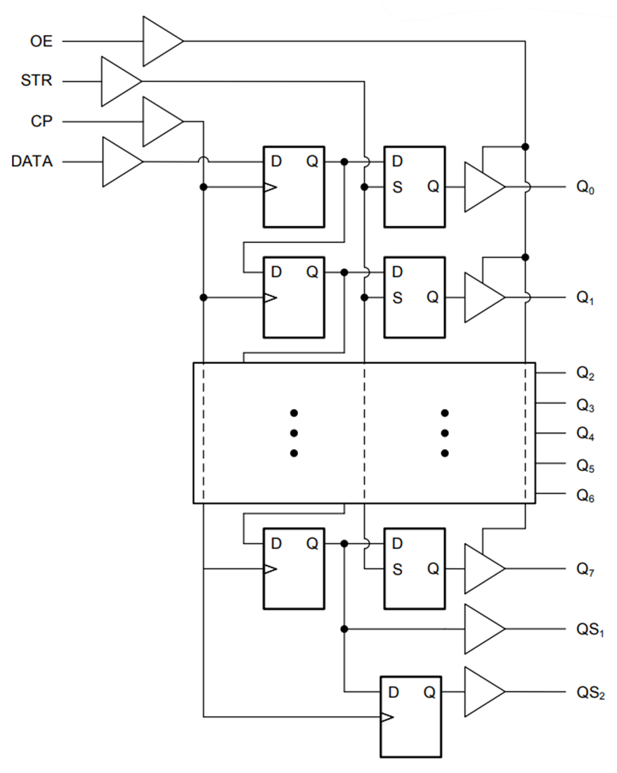
Texas Instruments CD74HC4094/CD74HCT4094 8ステージシフトおよびストアバスレジスタは、シリアル入力からパラレルバッファされたトライステート出力へのデータストローブを目的としたストレージラッチを各ステージに備えた8ステージシリアルシフトレジスタです。パラレル出力は、共通のバスラインに直接接続できます。データは、正のクロック遷移でシフトされます。ストローブ入力が「高」の場合、Texas Instruments CD74HC4094 /CD74HCT4094の各データはストレージレジスタに転送されます。出力イネーブル信号が「高」になると、ストレージレジスタのデータが出力に表示されます。特徴
- バッファ入力
- 個別のシリアル出力は、カスケード接続用の正と負の両方のクロックエッジに同期
- ファンアウト(全温度範囲)
- 標準出力:10 LSTTL負荷
- バスドライバ出力:15 LSTTL負荷
- -55°C〜125°Cの広い動作温度範囲
- バランスのとれた伝搬遅延と遷移時間
- LSTTLロジックICに比べて大幅な電力削減
- HCタイプ
- 2V 6V動作
- 高いノイズ耐性: NIL =30%、NIH = VCC の30%(VCC =5Vの場合)
- HCTの種類
- 4.5V 5.5V動作
- ダイレクトLSTTL入力ロジック互換性、VIL = 0.8V(最大)、VIH = 2V(最小)
- CMOS入力互換性、VOL 、VOH でIL ≤1μA
機能ブロック図
公開: 2024-12-09
| 更新済み: 2024-12-13
