TIDAC39RF10およびDAC39RFS10DAC は、8GHzを超えるキャリア周波数で最大10GHz、7.5GHz、および5GHz信号帯域幅 (8、12、および 16 ビット入力解像度) の信号を生成でき、C バンドを介して X バンドへの直接サンプリングを可能にします。
高いサンプリング速度、出力周波数範囲、64 ビット NCO 周波数分解能、および位相コヒーレンスを備えた周波数ホッピングにより、デバイスは任意波形生成 (AWG) と直接デジタル合成 (DDS) が可能になります。
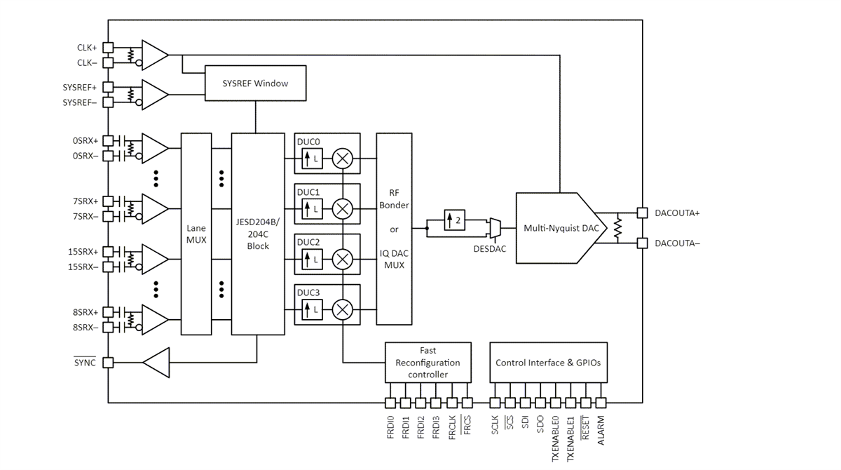
JESD204BおよびJESD204Cと互換性のあるシリアル インターフェイスには、最大12.8Gbpsが可能な16レシーバペアがあります。このインターフェイスは、確定的な遅延と SYSREF を介したマルチデバイス同期に関して、JESD204BおよびJESD204Cサブクラス1に準拠しています。
特徴
- 16 ビット、10.24/20.48GSPS、マルチナイキスト DAC コア
- 最大入力データレート:
- 8 ビット、シングル チャネル、20.48GSPSの DES モード
- 12 ビット、シングル チャネル、15.5GSPSの DES モード
- 16 ビット、10.24GSPSのシングルチャネル
- 8 ビット、デュアル チャネル、10.24GSPS
- 12 ビット、7.75GSPS/chのデュアル チャネル
- 16 ビット、6.2GSPS/chのデュアル チャネル
- 12GHzでの出力帯域幅 (-3dB)
- fOUT = 2.997GHz、DES2XLモード、DEM/ダイザーオフ時の性能
- -155dBFS/Hzのノイズ フロア (小信号)
- SFDR (-0.1dBFS) 60dBc
- -62dBcで IMD3 (トーンごとに-7dBFS)
- 加算位相ノイズ、-138dBc/Hzで10kHzオフセット
- 4 つの統合デジタル アップコンバータ (DUC)
- 1倍、2倍、3倍、4倍、6倍、8倍、... の補間256x
- I/Q出力用複素ベースバンドDUC
- デュアルチャネルダイレクトRFサンプリングのための複素数から実数へのアップコンバート
- 64 ビット周波数分解能 NCO
- 高速周波数ホッピングのための高速再構成インターフェイス
- 200MHzクロックを使用した 4 ビット データ
- 60ns再構成 (32 ビット周波数)
- 位相コヒーレンスを備えた任意の周波数ホッピング
- JESD204C インターフェイス
- 最大16レーン、最大12.8Gbps
- クラス C~S、サブクラス1互換
- 内部ACカップリングコンデンサ
- 自動 SYSREF タイミング キャリブレーションのための SYSREF ウィンドウ処理
アプリケーション
- 衛星通信(Satcom)
- フェーズドアレイアンテナシステム
- 合成開口レーダー (SAR) 励振器
- 無線通信テスター
- 任意波形発生器 (AWG)
シングルチャネルのブロック図
デュアルチャネルのブロック図
公開: 2024-01-25
| 更新済み: 2024-10-30

