TIDAC39RF12およびDAC39RFS12DAC は、10GHzを超えるキャリア周波数で最大12GHz、7.5GHz、および6GHz信号帯域幅 (8、12、および 16 ビット入力解像度) の信号を生成できるため、C バンドを介して X バンドへの直接サンプリングが可能になります。
高いサンプリング速度、出力周波数範囲、64 ビット NCO 周波数分解能、および位相コヒーレンスを備えた周波数ホッピングにより、デバイスは任意波形生成 (AWG) と直接デジタル合成 (DDS) が可能になります。
JESD204BおよびJESD204Cと互換性のあるシリアル インターフェイスには、最大12.8Gbpsが可能な16レシーバペアがあります。このインターフェイスは、確定的な遅延と SYSREF を介したマルチデバイス同期に関して、JESD204BおよびJESD204Csubclass-1に準拠しています。
特徴
- 16 ビット、12/24GSPS、マルチナイキスト DAC コア
- 最大入力データレート:
- 8 ビット、シングル チャネル、24GSPSの DES モード
- 12 ビット、シングル チャネル、15.5GSPSの DES モード
- 16 ビット、12GSPSの単一チャネル
- 8 ビット、デュアル チャネル、12GSPS
- 12 ビット、7.75GSPS/chのデュアル チャネル
- 16 ビット、6.2GSPS/chのデュアル チャネル
- 12GHzでの出力帯域幅 (-3dB)
- fOUT =2.997GHz、DES2XLモード、DEM/Ditherオフ時の性能
- -155dBFS/Hzのノイズ フロア (小信号)
- -60dBcの SFDR (-0.1dBFS)
- IMD3 (各トーンの-7dBFS)-60dBc
- 加算位相ノイズ、-137dBc/Hzの10kHzオフセット
- 4 つの統合デジタル アップコンバータ (DUC)
- 補間: 1x、2x、3x、4x、6x、8x ... 256x
- I/Q 出力用の複雑なベースバンド DUC
- デュアルチャネルダイレクトRFサンプリングのための複素数からリアルアップへの変換
- 64 ビット周波数分解能 NCO
- 高速周波数ホッピングのための高速再構成インターフェイス
- 200MHzクロックを使用した 4 ビット データ
- 60ns再構成 (32 ビット周波数)
- 位相コヒーレンスを備えた任意の周波数ホッピング
- JESD204C インターフェイス
- 最大16レーン、最大12.8Gbps
- クラス C~S、サブクラス1互換
- 内部ACカップリングコンデンサ
- 自動 SYSREF タイミング キャリブレーションのための SYSREF ウィンドウ処理
アプリケーション
- 衛星通信(Satcom)
- フェーズドアレイアンテナシステム
- 合成開口レーダー (SAR) 励振器
- 無線通信テスター
- 任意波形発生器 (AWG)
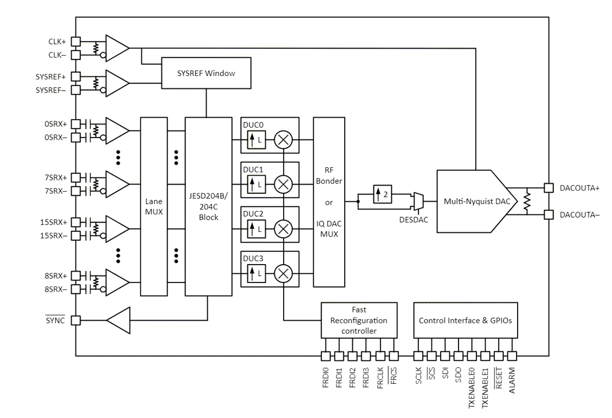
シングルチャンネルのブロック図
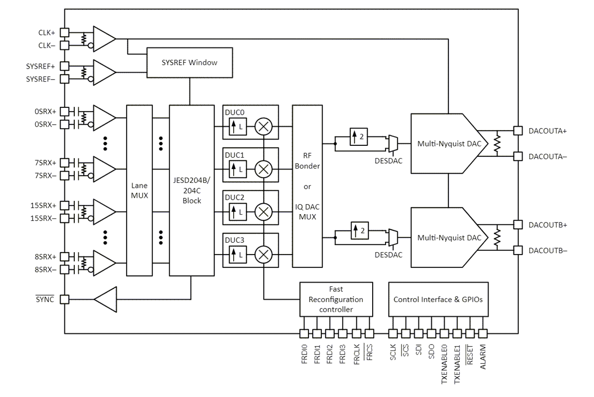
デュアルチャネルのブロック図
公開: 2024-01-25
| 更新済み: 2024-01-30

