Texas Instruments DAC43902-Q1車載用スマート DAC
Texas InstrumentsDAC43902-Q1車載スマート DAC は、トリガー入力または出力としても機能できる 4 つの PWM 出力を提供します。DAC43902-Q1は、構成可能なタイミングで対数調光を生成するロジックである事前構成のステート・マシンを提供します。PWM ベースの対数調光は、自動車の内部および屋外照明の対数フェードイン/フェードアウトのアプリケーションに適用できます。DAC43902-Q1は、自動車の方向指示灯用のシーケンシャル・ アニメーション機能もサポートします。デバイスは、構成を保存するための NVM を提供します。これらのスマート DAC は、GPIO と NVM を使用してプロセッサーを必要とせずに機能します (プロセッサーレス動作) 。TI DAC43902-Q1自動車スマートDACは、I2CやSPIを自動的に検出し、内部基準電圧を備えています。小型パッケージと低電力が統合された機能セットにより、DAC43902-Q1自動車照明アニメーションのアプリケーションに最適です。
特徴
- AEC-Q100自動車アプリケーション向けに認定されています:
- 温度グレード 1:-40°C~+125°C、TA
- デジタル ピン (218Hz~48.8kHz) のパルス幅変調 (PWM) 出力
- 対数調光
- GPIO制御によるLEDフェードイン・フェードアウト
- GPIO として構成されたプログラム可能なコンパレータと DAC
- I2CまたはSPIを自動的に検出
- VIH :1.62V(VDD = 5.5Vの場合)
- 連続方向指示器アニメーション
- プログラミング モードとスタンドアロン モードを選択するための VREF/MODE ピン
- ユーザープログラム可能な不揮発性メモリ (NVM)
- リファレンスとしての内部、外部、または電源
- 広い動作範囲
- 1.8V~5.5Vへの電源供給
- 温度範囲 -40℃ ~ +125℃
- 16ピンWQFNの小型パッケージ (3mm×3mm)
アプリケーション
- リアライト
- 小さな光
- 内装照明
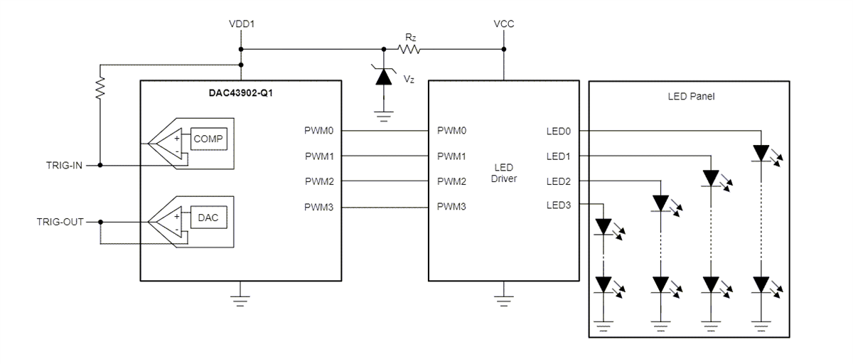
DAC43902-Q1を使用した連続方向指示器アニメーション
機能ブロック図
その他の資料
公開: 2024-01-25
| 更新済み: 2025-05-06
