Texas Instruments DAC53xAxW電流源デジタル・アナログ・コンバータ
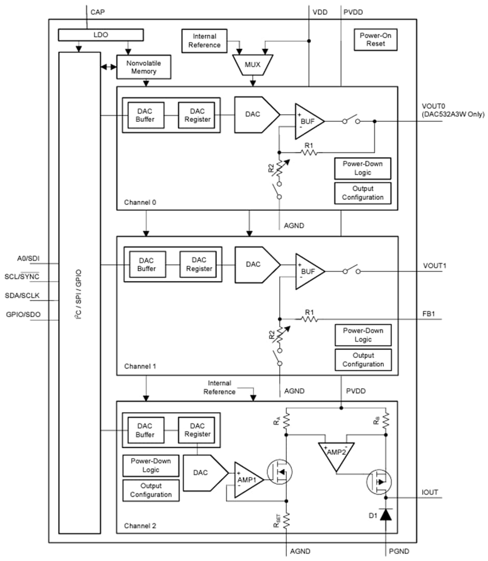
Texas Instruments DAC53xAxW電流源デジタル・アナログ・コンバータ(DAC)は、10ビットのバッファ付き電圧出力および電流出力スマート・デジタル・アナログ・コンバータ(DAC)です。DAC53xAxWデバイスは、レーザーダイオードや小型モーターのリニア制御に使用できる電流源をサポートしています。これらのデバイスは、Hi-Zパワーダウン・モードと、電圧出力のパワーオフ状態でのHi-Z出力をサポートしています。チャンネル1は、電圧出力DACまたはコンパレータとして構成できます。電圧出力DACは、プログラマブルコンパレータおよび電流シンクとして使用するフォースセンス・オプションを実現します。多機能GPIO、機能生成、プログラマブル不揮発性メモリ(NVM)により、これらのスマートDACは、プロセッサレス・アプリケーションと設計の再利用を可能にします。これらのデバイスは、SPIまたはI2Cインターフェイスを自動的に検出し、また内部リファレンスが搭載されています。Texas Instruments DAC53xAxWの機能セットと小型パッケージおよび低消費電力の組み合わせにより、これらのスマートDACは、カメラ・レンズのオートフォーカスおよびズーム・アプリケーションにおけるレーザー・ダイオードの電力制御やボイスコイル・モーター(VCM)制御などのアプリケーションに最適です。
特徴
- 電流ソースDAC
- 1LSBのDNL
- 2つの範囲:300mA、220mA
- 770mVのヘッドルーム
- デュアル(DAC532A3Wのみ)電圧出力DAC
- 1LSBのDNL
- 1×、1.5×、2×、3×、4×のゲイン
- チャネル1のプログラマブルなコンパレータモード
- VDD オフ時に高インピーダンス出力
- 高インピーダンスおよび抵抗プルダウン・パワーダウン・モード
- 50MHz SPI互換インターフェイス
- I2CまたはSPIを自動検出、VIH: 1.62V(VDD =5.5Vの場合)
- 複数の機能に構成できる汎用入出力(GPIO)
- 予め定義された波形生成(正弦、余弦、三角、のこぎり)
- ユーザープログラマブル不揮発性メモリ(NVM)
- 基準電圧として内部または電源を使用可能
- 広い動作範囲
- 電源:3V~5.5V
- 温度:-40˚C~+125˚C
アプリケーション
- タブレット(マルチメディア)
- Chromebook、WOA
- ダッシュボードカメラ
- 内視鏡
- アナログ・セキュリティ・カメラ
- ワイヤレスセキュリティカメラ
機能ブロック図
公開: 2024-03-13
| 更新済み: 2024-03-21
