Texas Instruments DLP3021LEQ1EVM評価モジュール(EVM)
Texas Instruments DLP3021LEQ1EVM評価モジュール(EVM)は、DLP3021-Q1チップセットを制御しインターフェイス接続するように設計された、完全な電子および光学サブシステムです。DLP3021-Q1は、FPGAベースのデジタルマイクロミラーデバイス(DMD)コントローラとインターフェイス接続します。このチップセットには、照明と投影光学系ならびにRGB LEDが組み合わされており、小音量フォームファクタでフルモーションビデオを再生することによって30ルーメンまでの明るさを発揮するプロジェクタを作成します。Texas Instruments DLP3021LEQ1EVMは生産設計ではなく、評価専用を意図しています。特徴
- 動的接地プロジェクションアプリケーションを対象としたコンパクトな光エンジン
- 保存されている画像とフルモーションビデオを表示できる機能
- 輝度最大30ルーメン
- 3.5W未満の総電力消費
キット内容
- DLP3021LEQ1EVM評価モジュール
- USB to SPIケーブル
- SPIアダプタPCB
- 電源ケーブル、SPIケーブル
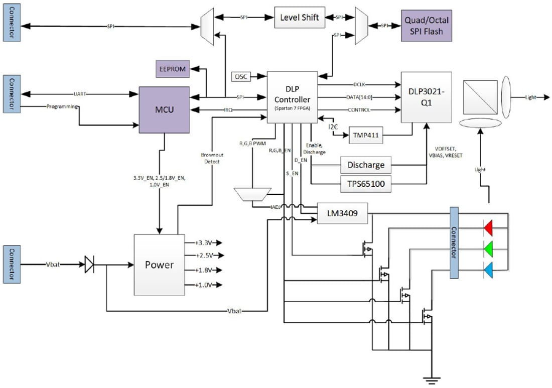
ブロック図
公開: 2021-04-13
| 更新済み: 2025-04-21
