Texas Instruments DRV10982-Q1デバイスは、最低4.5Vまでレジスタ設定を保持し、最低6.2Vの電源電圧でモータへ電流を供給します。電源電圧が28Vを超える場合、デバイスはモータの駆動を停止し、DRV10982-Q1の回路を保護します。この機能は、最大で45Vまでの負荷ダンプ状態に対処できます。
特徴
- 車載アプリケーション向けに品質評価済
- AEC-Q100で品質評価済み、結果は以下のとおり
- デバイス温度グレード1: –40°C~125°Cの動作周囲温度範囲
- デバイスHBM ESD分類レベル1C
- デバイスCDM ESD分類レベルC4A
- 動作電圧範囲
- モータ動作、6.2V~28V
- レジスタ設定を保存、4.5V~45V
- 最大45Vのロード・ダンプ電圧に対応
- ドライバ(H + L)のrDS(on)の合計:
- 300mΩ(TA = 25°C時)
- 400mΩ(TA = 125°C時)
- 駆動電流:連続巻線電流2A(ピーク3A)
- EMI管理用の構成可能な出力PWMスルーレートと周波数
- 独自のセンサレス逆起電力(BEMF)制御方式(ホールセンサ不要)
- 180°の連続正弦波転流
- スタートアップ時のバックスピンを回避できる初期位置検出アルゴリズム
- 外部検出レジスタ不要
- 柔軟性に富んだユーザーインターフェイス・オプション
- I2Cインターフェイス:コマンドおよびフィードバックのためレジスタにアクセス
- 専用SPEEDピン:アナログまたはPWM入力に対応
- 専用FGピン: TACHフィードバックを供給
- スピンアップ・プロファイルはEEPROMでカスタマイズ可能
- DIRピンで正逆転制御
- 内外部回路の5Vおよび3.3V LDOを効率的に実現できる集積バックコンバータ
- スタンバイバージョン(DRV10982SQ)での8.5mA消費電流
- スリープバージョンでの48µA供給電流(DRV10982Q)
- 保護機能
- 過電流保護(位相と位相、位相とGND、位相とVCC の短絡保護)
- ロック検出
- 耐電圧サージ(AVS)保護
- UVLO保護
- サーマルシャットダウン保護
- 放熱特性に優れたパッケージ
特徴
- 小型車載ポンプとファン
- シート換気ファン
- オートバイの燃料ポンプ
- HEVバッテリの冷却ファン
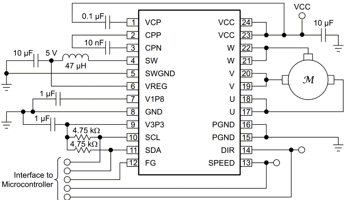
アプリケーション図
公開: 2022-04-04
| 更新済み: 2022-09-23

