Texas Instruments DRV2510-Q1車載用ハプティックドライバ
Texas Instruments DRV2510-Q1車載用ハプティックドライバは特にソレノイドやボイスコイルといった誘導負荷向けにデザインされました。この出力段は、最高電流である3Aを送達することができる、完全Hブリッジで構成されています。DRV2510-Q1は、定電圧ロックアウト、過電流保護および高温保護といった保護機能を備えています。DRV2510-Q1車載用認定を受けています。この統合ロード負荷保護によって、外部電圧クランプのコストとサイズ、およびデジタルインターフェイスを介したアクチュエータの状況に関するオンボード負荷診断レポートが削減されています。特徴
- 広い動作電圧: 4.5V~8V
- 統合負荷ダンプ保護(40V)
- 高電流ドライバ(3Aピーク)
- 低RDS(on)、フルHブリッジ出力
- 統合診断
- 統合障害保護
- ISO 7637-2あたり40V負荷ダンプ保護
- 短絡保護
- 過熱保護
- 過電圧および低電圧保護
- 障害レポート
- アナログ入力
- I2C通信
- 専用の割込ピン
- AEC-Q100 Grade 2に準じた認定を取得済
- –40ºC~+125ºCの周囲温度範囲
- ISO9000: 2002 TS16949認証済
アプリケーション
- 電磁アクチュエータドライバ
- ボイスコイル
- ソレノイド
- 機械ボタンの交換
- 車載用ハプティックアプリケーション
- インフォテイメント
- センターコンソール
- ステアリングホイール
- ドアパネル
- シート
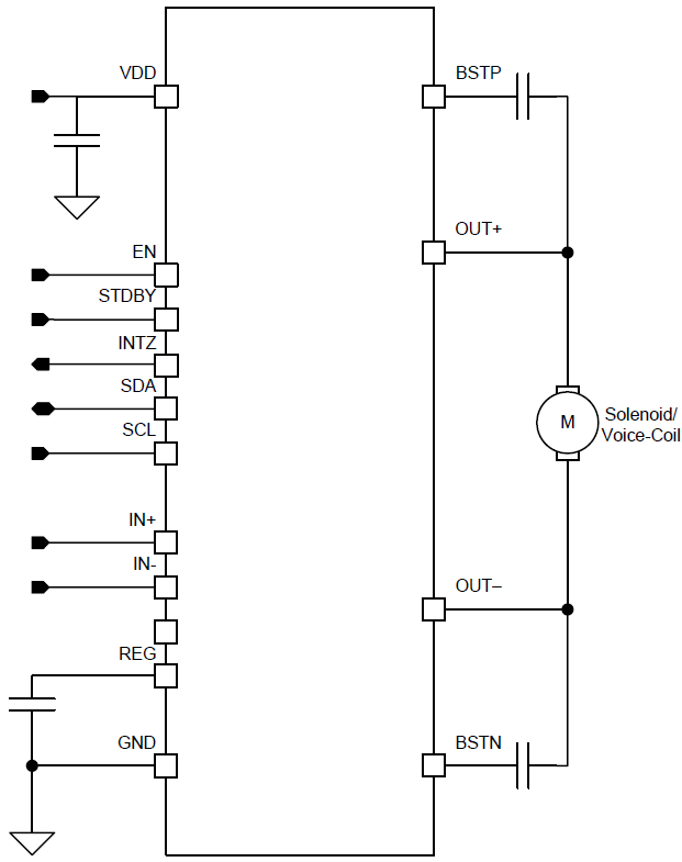
簡略図
公開: 2017-03-06
| 更新済み: 2025-03-05
