Texas Instruments DRV2901には、革新的な保護システムが統合されており、システムに損傷を与える可能性のあるさまざまな障害状態からデバイスを保護します。これらの保護手段は、短絡保護、過電流保護、低電圧保護、過温度保護です。DRV2901には、独自の電流制限回路があり、高レベル過渡時のデバイスのシャットダウンの可能性を低減します。
特徴
- 12V~48Vの広い供給電圧動作
- 最高50Wまでのピーク電力をサポート
- 以下を含む統合セルフ保護回路
- 短絡
- 過電流
- 低電圧
- 過熱
- 90mΩ出力MOSFETの高効率出力段
- 電源シーケンシングなしで電源投入時の保護を目的とするパワーオンリセット
- 44ピンHTSSOPパッケージ(DDV)
- 動作温度範囲:-40°C~+125°C
アプリケーション
- 熱探知カメラ
- トラフィック監視カメラ
- ドローンビジョン
- マシン・ビジョン・カメラ
- ワイヤレスセキュリティカメラ
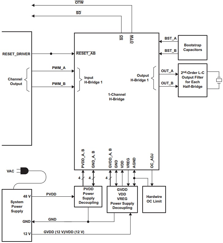
機能ブロック図
公開: 2023-01-19
| 更新済み: 2024-07-11

