Texas Instruments DRV81008-Q1 8チャンネル ローサイドドライバ
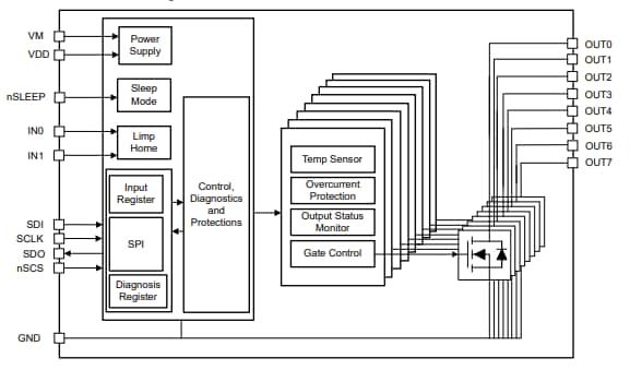
Texas Instruments DRV81008-Q1 8チャネル ローサイドドライバは、8チャネルすべてが同時にオンのとき、出力あたり330mAの電流をサポートします。また、このドライバは、フェールセーフ起動のためのリンプ・ホーム・モードもサポートしています。DRV81008-Q1ドライバは、マッピング機能を持つ2つのパラレル入力で構成されています。このドライバは、負荷オープン(オフ状態)、ショート検出による負荷診断を提供します。DRV81008-Q1ドライバは、最小42Vのドレイン・ソース間クランプ電圧、診断用16ビットSPIインターフェイス、内蔵の逆バッテリ保護、静電気放電(ESD)保護を特徴としています。このドライバは、車載アプリケーション向けに認定を受けています。DRV81008-Q1ドライバは、HVAC制御、ゾーン制御モジュール(ZCM)、車両制御ユニット(VCU)、空気弁などのアプリケーションで使用されます。特徴
- アナログ電源電圧:3V〜40V
- クランク機能:最小3V
- LV124車載規格をサポート
- 最小ドレイン・ソース間クランプ電圧:42V
- マッピング機能を備えた2つの並列入力
- RDS(ON) :700mΩ(標準値)(12V、25°C時)
- すべてのチャンネルがオンの場合、出力あたり330mAの電流(85°C時)
- 複数の保護機能をサポート:
- 逆バッテリ保護内蔵
- 過電流ラッチオフ
- 熱シャットダウンラッチOFF
- アースとバッテリに対する短絡保護
- 低電圧条件での安定した動作
- バッテリの喪失およびグランド喪失時の保護
- 静電放電保護(ESD)
- デジタル電源電圧:3V〜5.5V
- 3.3Vおよび5Vマイクロコントローラと互換
- 制御および診断用の16ビットSPIインターフェイス:
- デイジーチェーン機能
- 8ビットデバイスと互換
- 各種診断機能をサポート:
- SPIレジスタを介した診断情報
- オン状態での過負荷検出
- オフ状態でのオープン負荷検出
- 入力および出力ステータスモニタ
アプリケーション
- ゾーン制御モジュール(ZCM)
- HVAC制御
- 車載用ボディコントロールモジュール(BCM)
- 自動車用照明
- 車両制御ユニット (VCU)
- プログラマブルロジックコントローラ(PLC)
- 空気弁
- 汎用リレードライバ
- ガソリン・ディーゼルエンジン
機能ブロック図
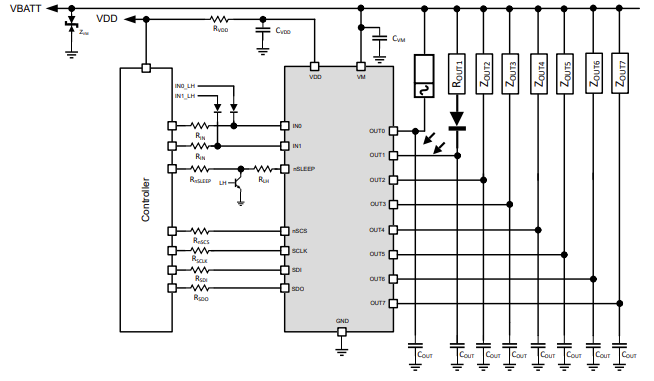
アプリケーションのスキーム図
その他の資料
公開: 2025-01-21
| 更新済み: 2025-05-06
