Texas Instruments DRV816xハーフブリッジスマートゲートドライバ
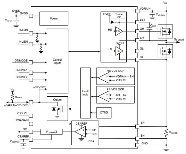
Texas Instruments DRV8161ハーフブリッジスマートゲートドライバは、ハイサイドおよびローサイドのNチャネルMOSFETを駆動できる統合100Vデバイスです。このドライバは、コントローラのアナログ・デジタル・コンバータ(ADC)に電流フィードバックするための双方向ローサイド電流センスアンプを内蔵しています。DRV816xドライバは、内蔵トリクル充電ポンプで100%パルス幅モジュール(PWM)負荷サイクルをサポートします。これらのドライバは、16-levelゲートドライブピーク電流を最大1Aソースおよび2Aシンクまでサポートするスマートゲートドライブアーキテクチャを特徴としています。DRV816xドライバはまた、13レベルVDS過電流スレッショルド、独立したシャットダウン・ピン(nDRVOFF)、および20nsから900nsまで調整可能なPWMデッドタイム挿入を備えています。このドライバは、移動ロボット、ドローン、E-バイク、E-モビリティ、リニアモーター輸送システムなどに使用されています。特徴
- 2NチャンネルMOSFETをハーフブリッジ構成でドライブ
- ハイサイドMOSFETソース / ドレイン最大102V(絶対最大)
- 8V(5V DRV8162L)〜20Vゲートドライブ電源
- ブートストラップダイオード内蔵
- 機能安全システム設計を支援するために利用可能な文書で管理された機能安全品質
- 内蔵トリクル充電ポンプで100% PWM負荷サイクルをサポート
- 16レベルゲートドライブピーク電流
- ソース電流: 16mA~1000mA
- シンク電流: 32mA~2000mA
- 1:1、1:2、および1:3のソース・シンク電流比率
- 20ns~900nsで調節可能なPWMデッドタイム挿入
- モータ位相(SH)切り替えのためのロバスト設計
- スルーレート: 50V/ns
- マイナスの過渡電圧: -20V
- 2Aストロングゲートプルダウン
- 冗長シャットダウン用の分割ゲートドライブ供給入力(DRV8162、DRV8162L)
- ゲイン(5、10、20、40V/V)を調整できる低オフセット電流センスアンプ(DRV8161)
- 柔軟なPWM制御インターフェース:2ピンPWM、1ピンPWM、独立PWMモード
- 13レベルVDS過電流しきい値
- 独立シャットダウン端子(nDRVOFF)
- ゲートドライバソフトシャットダウンシーケンス
- 集積保護機能
- GVDD不足電圧(GVDDUV)
- ブートストラップ不足電圧(BST_UV)
- MOSFET過電流保護(VDS)
- シュートスルー保護
- 熱シャットダウン(OTSD)
- 障害状態インジケータ(nFAULT)
- 3.3Vおよび5V論理入力をサポート
アプリケーション
- 移動ロボット(AGV/AMR)
- ドローン
- サーボドライブ
- 産業用ロボットと協働ロボット
- リニアモータ転送システム
- 電動バイク、電動スクータ、Eモビリティ
機能ブロック図
アプリケーション回路図
その他の資料
公開: 2025-01-21
| 更新済み: 2025-05-06
