Texas Instruments DRV81620-Q1 8チャンネル低圧側/高圧側ドライバ
Texas Instruments DRV81620-Q1 8チャンネル低圧側および高圧側ドライバには、保護と診断が備わっています。リレー、LED、ランプ、モーターを制御するように設計されています。デイジーチェーン制御および負荷とデバイスを診断するシリアルペリフェラルインターフェイス(SPI)です。マッピング機能が搭載された2本の入力ピンによって、出力の直接制御が可能になります。このデバイスは、フェイルセーフ起動のためのLimp Homeをサポートしている。統合PWMジェネレータによってLEDの駆動が可能になり、電球突入モードによって大静電容量での負荷の駆動が可能になります。各出力のクランプ回路は、誘導負荷の電源を切る際にエネルギーを散逸させます。このデバイスは、低電圧、過電圧、短絡、オープン負荷検出といったさまざまな保護機能をサポートしています。組み込み保護および診断機能との高レベルの統合によってTexas Instruments DRV81620-Q1は、車体およびパワートレイン・アプリケーションに優れた選択です。
特徴
- -40°C ~+125°Cの温度グレード1、TA を備えた自動車アプリケーション向けAEC-Q100認定取得済
- 機能安全対応、機能安全設計を支援する文書付き
- アナログ電源電圧: 3V ~40V
- クランク機能: 最小3V
- LV124車載規格に対応
- 3.3Vおよび5Vマイクロコントローラと互換性のある3V~5.5Vのデジタル電源電圧
- 42V最小ドレイン-ソース間制限電圧
- 接地制限電圧に対する-18V最高ソース
- RDS(ON)700mΩ(代表値、12V、25°C時)
- 85°C、全チャンネルON時、各出力電流330mA
- マッピング機能が搭載された2つの並列入力
- nSLEEPピンとINピンを使用したLimp Homeモードでのフェイルセーフ起動
- 2つの独立した内部PWMジェネレータ
- 2Wランプおよびその他の容量性負荷向けにランプを駆動する電球突入モード(BIM)
- 低電流スリープモード、TJ ≤ 85°C で 3µA
- 制御と診断用の16ビットSPI
- デイジーチェーン機能
- 8ビットSPIデバイスとの互換性あり
- さまざまな保護機能をサポート
- バッテリの逆方向挿入保護
- アースとバッテリに対する短絡保護
- 低電圧状態時の安定動作
- 過電流ラッチオフ
- 温度過上昇警告
- 熱シャットダウンラッチOFF
- 過電圧保護
- バッテリの喪失と接地保護の喪失
- 静電放電保護(ESD)
- 複数の診断機能をサポート
- SPIレジスタ経由の診断情報
- ON状態での過負荷検出
- ONおよびOFF状態での負荷開放検出
- 入力および出力ステータスモニタ
アプリケーション
- ゾーン制御モジュール(ZCM)
- 車体制御モジュール(BCM)
- 自動車用照明
- ガソリン・ディーゼルエンジン
- 車両制御装置(VCU)
- プログラマブルロジックコントローラ(PLC)
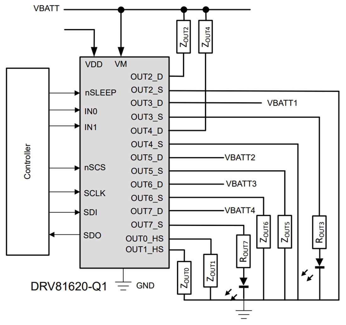
簡略図
公開: 2025-04-24
| 更新済み: 2025-05-05
