Texas Instruments DRV8300/DRV8300-Q1 3相ゲートドライバ
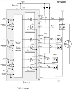
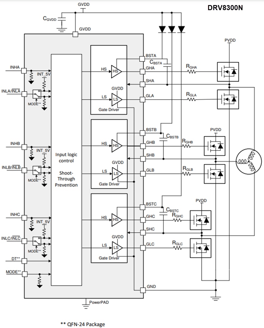
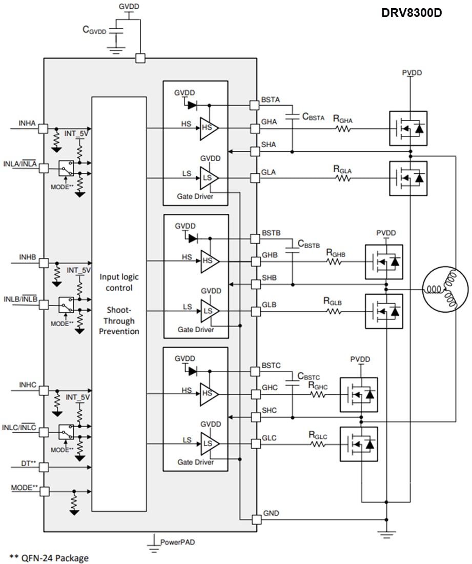
Texas Instruments DRV8300/DRV8300-Q1 3相ゲートドライバは、3つのハーフブリッジゲートドライバを実現しており、それぞれが高圧側と低圧側のNチャンネルパワーMOSFETを駆動できます。DRV8300D/DRV8300D-Q1は、高圧側MOSFETを対象とした統合ブートストラップダイオードと外付けコンデンサを使用して、正しいゲート駆動電圧を生成します。DRV8300Nは、高圧側MOSFET用の外付けブートストラップダイオードと外付けコンデンサを使用し、正しいゲート駆動電圧を生成します。GVDDは、低圧側MOSFETのゲート駆動電圧の生成に使用します。Texas Instruments DRV8300/DRV8300-Q1ゲート・ドライブ・アーキテクチャは、ピーク最大750mAソースおよび1.5Aシンク電流をサポートしています。位相ピンSHxは、大幅な負の電圧過渡に耐えることができ、高圧側ゲートドライバ供給BSTxおよびGHxは、より高い正の電圧過渡(115V)absの最大電圧をサポートできます。この機能によって、システムの堅牢性が向上します。小さな伝搬遅延と遅延整合仕様によってデッドタイム要件が最小限に抑えられ、効率性がさらに向上します。GVDDおよびBST低電圧ロックアウトによって、低圧側と高圧側の両方に低電圧保護が実現しています。DRV8300-Q1は、車載用アプリケーションのAEC-Q100認定を受けています。
特徴
- トリプルハーフブリッジゲートドライバ
- 3台の高圧側および3台の低圧側NチャンネルMOSFET(NMOS)を駆動
- 集積ブートストラップダイオード(DRV8300D)
- 反転および非反転INLx入力をサポート
- ブートストラップゲートドライブアーキテクチャ
- 750mAソース電流
- 1.5Aシンク電流
- 最大15sのバッテリ駆動アプリケーションをサポート
- SHxピンでの漏れ電流が小さい(< 55µA)
- 絶対(最高)BSTx電圧115Vまで
- SHxピンで-22Vまでの負過渡をサポート
- 内蔵クロス導通の防止
- QFNパッケージの型式を対象にDTピンから調整できるデッドタイム
- TSSOPパッケージ型式の200nSの固定デッドタイム挿入
- 20V絶対(最高)で3.3Vおよび5Vロジック入力をサポート
- 4nS(標準)伝播遅延マッチング
- コンパクトなQFNおよびTSSOPパッケージ
- パワーブロックを用いた効率的なシステム設計
- 集積保護機能
- BST低電圧ロックアウト(BSTUV)
- GVDD低電圧(GVDDUV)
アプリケーション
- 電動バイク、電動スクータ、Eモビリティ
- ファン、ポンプ、サーボドライブ
- ブラシレス-DC(BLDC)モーターモジュールとPMSM
- コードレス園芸工具と芝刈り機
- コードレス電気掃除機
- ドローン、ロボット工学、RC玩具
- 工業および輸送デバイス
データシート
公開: 2021-01-19
| 更新済み: 2022-05-20
