Texas Instruments DRV8312 3相ブラシレスDCモータドライバ
Texas Instruments DRV8312 3相ブラシレスDCモータドライバは、高度な保護システムを備えた高性能の統合型三相モーター・ドライバです。パワーMOSFETのRDS(on)が低く、インテリジェント・ゲート駆動設計を採用しているので、効率の最大97%アップが可能で、小型の電源とヒートシンクを使用できるようになるため、エネルギー効率の良いアプリケーションの有望な候補となります。DRV8312/32は、GVDDおよびVDD用12V電源、PVDD用50V電源の2つの電源を必要とします。DRV8312/32は、正確な制御と高効率を維持しながら、最大500kHzのスイッチング周波数で動作することができます。また、革新的な保護システムを持ち、システムを損傷する可能性のある様々な障害条件からデバイスを守ります。特徴
- 低RDS(on) MOSFET(TJ = 25°Cで80mΩ)の高効率パワーステージ(最大97%)
- 最大動作電源電圧50V(絶対最大値70V)
- DRV8312(パワー・パッド・ダウン): 最大直流相電流3.5A(6.5Aピーク)
- DRV8312(パワー・パッド・アップ): 最大直流相電流8A(13Aピーク)
- 三相独立制御
- PWM動作周波数最大500kHz
- 過電圧、温度異常、過負荷、短絡を含む自己保護回路内蔵
- プログラマブルなサイクル毎の電流制限保護
- 各ハーフブリッジに独立した電源および接地ピン
- インテリジェントなゲート駆動とクロスコンダクション防止機能
- 外付けのスナバまたはショットキーダイオード不要
アプリケーション
- BLDCモーター
- 三相永久磁石式同期モーター
- インバータ
- ハーフブリッジ・ドライバ
- ロボット制御システム
Datasheets
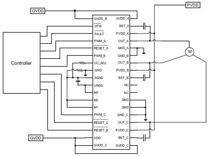
アプリケーション概略図
公開: 2019-08-06
| 更新済み: 2023-10-17
