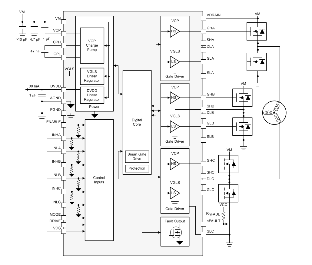
このデバイスには、低電圧ロックアウト、充電ポンプ故障、MOSFET過電流、MOSFET短絡、供給と接地に対する位相ノードショート、ゲートドライバ故障、過温度上昇を対象とした内部保護機能が搭載されています。低消費電力スリープモードは、低自己消費電流の達成に使用されます。DRV8340-Q1は、車載用アプリケーションを対象としたAEC-Q100認定を受けています。
特徴
- 車載アプリケーション向けAEC-Q101認定
- 温度Grade 1: –40°C≤ TA ≤125°C
- 3つの独立したハーフブリッジ・ゲート・ドライバ
- 独立したMOSFET制御に対応できる専用のソースピン(SHx)およびドレイン(DLx)ピン
- 3つのハイサイドおよび3つのローサイドNチャネルMOSFET(NMOS)を駆動
- スマートゲートドライブアーキテクチャ
- 調整可能なスルーレート制御
- ピークソース電流: 1.5mA~1A
- ピークシンク電流: 3mA~2A
- 100%負荷サイクルのためのゲートドライバの充電ポンプ
- SPI(S)およびハードウェア(H)インターフェイスを利用可能
- 6x、3x、1x、および独立PWMモード
- 3.3Vおよび5Vロジック入力をサポート
- 充電ポンプ出力を使用して、逆供給保護MOSFETを駆動可能
- リニア電圧レギュレータ、3.3V、30mA
- 統合保護機能
- VM低電圧誤動作防止(UVLO)
- チャージポンプ低電圧(CPUV)
- バッテリのショート (SHT_BAT)
- 接地のショート (SHT_GND)
- MOSFET過電流保護(OCP)
- ゲートドライバフォルト(GDF)
- サーマル警告およびシャットダウン(OTW/OTSD)
- 障害状態インジケータ(nFAULT)
アプリケーション
- 12Vおよび24V車載用モータ制御アプリケーション
- BLDCとBDCモータモジュール
- ファン、ブロワ
- 燃料ポンプ、水ポンプ
- ソレノイド・ドライブ
機能ブロック図
公開: 2019-07-17
| 更新済み: 2025-03-06

