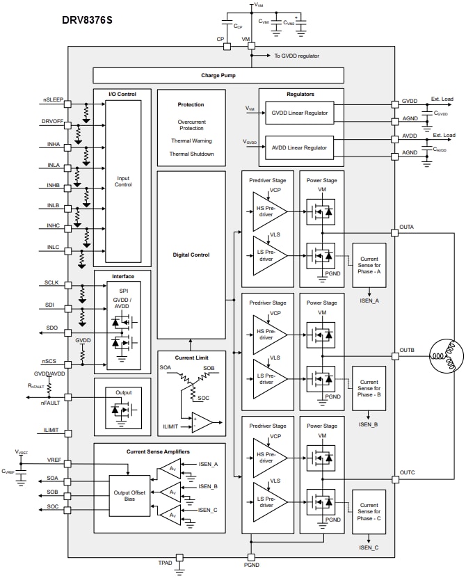
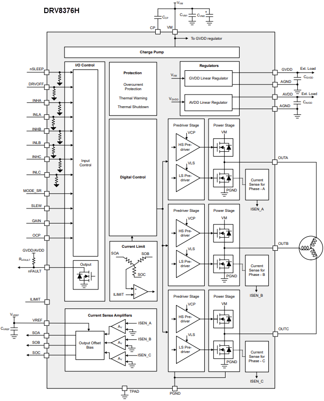
Texas Instruments DRV8376-Q1 3相 FET内蔵モータドライバ
Texas Instruments DRV8376-Q1 3相 FET内蔵モータドライバは、4.5V〜65VのブラシレスDCモータを駆動するためのゲートドライブと電力段を提供します。これらのモータドライバは、絶対最大容量70Vと、非常に低いRDS(ON) 400mΩ(ハイサイドとローサイド)を備えた3つのハーフHブリッジが特徴です。DRV8376-Q1 モータドライバは、最大100kHzのPWM周波数、位相電流を制限するサイクル毎の電流制限、アクティブ消磁、48Vシステムをサポートしています。これらのデバイスには6xまたは3xのPWM制御オプションがあり、センサ付きまたはセンサなしのフィールド指向制御(FOC)、正弦波制御、または外付けマイクロコントローラを使用した台形波制御を実装できます。DRV8376-Q1は車載アプリケーション向けにAEC-Q100認定を受けています。代表的なアプリケーションには、ブラシレスDC(BLDC)モータモジュール、HVACモータ、オフィスオートメーション機器、ファクトリオートメーションおよびロボティクス、ワイヤレスアンテナモータ、ドローンなどがあります。DRV8376-Q1 モータドライバは、3.3V(5%)、30mA LDOレギュレータと、5V(5%)、30mA LDOレギュレータを内蔵しています。保護機能には、低電圧ロックアウト(UVLO)、チャージポンプ低電圧(CPUV)、過電流保護(OCP)、熱警告およびシャットダウン(OTW/OTSD)、フォルト状態表示ピン(nFAULT)があります。
特徴
- 三相 BLDCモータドライバ:
- 48Vシステムに対応
- 最高100kHzまでのPWM周波数をサポート
- アクティブ消磁により電力損失を低減
- 位相電流を制限するサイクル・バイ・サイクルの電流制限
- 4.5V~65V動作電圧(絶対動作温度で最高70V)
- 4.5Aピーク高出力電流機能
- 400mΩ RDS (ON) (HS+LS) @ TA = 25°Cの低MOSFET オン状態抵抗
- 調整可能なスルーレートオプションによって、スルーレート1.1V/ns、および逆回復損失最小化技術によってスイッチング損失を低減
- 低可聴ノイズと容易なモーター制御で、超低デッドタイム<><>
- VVM = 24V、TA = 25°Cの低電力スリープモードで標準1.5µA
- 複数の制御インターフェイスオプション:
- 6x PWM制御インターフェイス
- 3x PWM制御インターフェイス
- 外付け電流センス抵抗不要、電流センシング内蔵
- 柔軟性の高いデバイス構成オプション:
- DRV8376S:デバイス構成とフォルトステータス用の5MHz 16ビットSPI
- DRV8376H:ハードウェア・ピンベースの構成
- 1.8V、3.3V、5Vのロジック入力をサポート
- 内蔵3.3V (5%)、30mA LDOレギュレータ
- 5V(5%)30mA LDOレギュレータ内蔵
- 保護機能内蔵:
- 電源の低電圧ロックアウト(UVLO)
- チャージポンプ低電圧(CPUV)
- 過電流保護(OCP)
- 熱警告およびシャットダウン(OTW/OTSD)
- フォルト状態表示ピン(nFAULT)
- SPI経由の障害診断(オプション)
アプリケーション
- ブラシレスDC(BLDC)モーターモジュール
- HVACモーター
- オフィス自動化マシン
- ファクトリーオートメーションとロボット工学
- ワイヤレスアンテナモータ
- ドローン
スキーム図
公開: 2025-07-03
| 更新済み: 2025-07-28
