Texas Instruments DRV8410デュアルHブリッジ・モーター・ドライバ
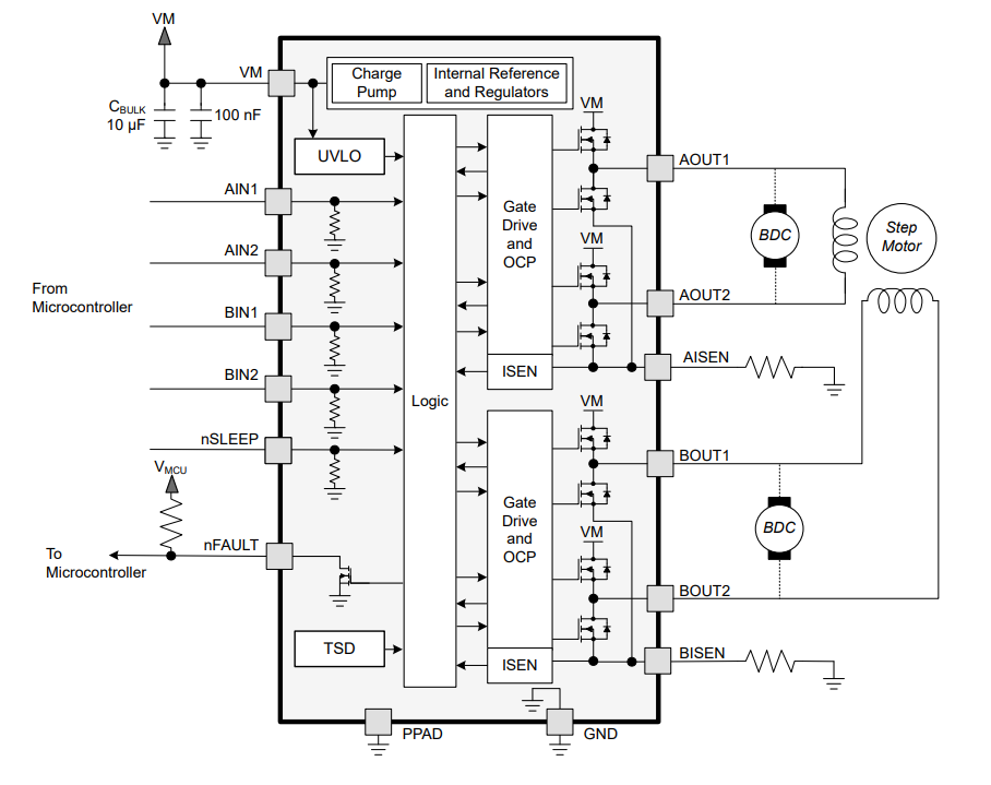
Texas Instruments DRV8410デュアルHブリッジ・モーター・ドライバは、DCブラシ・モータ1個または2個、ステッパ・モータ1個、複数のソレノイド、あるいは他の誘導性負荷を制御します。トリプル・チャージ・ポンプによりDRV8410を最低1.65Vでの動作を可能にし、1.8V供給レールと低バッテリ状態に対処します。充電ポンプには、すべてのコンデンサを統合し、100%の負荷サイクル動作を実現します。一方、入力と出力を並列に接続して、RDS (ON) の半分で大電流ブラシDCモーターを駆動できます。デバイスには、内部基準電圧とxISENピンの電圧(外部センス抵抗器を介してモーター電流に比例する)の比較による電流調整が実装されています。電流制限を実装することで、モーター起動時とストール状態中の大電流を大幅に低減できます。低消費電力スリープモードは、大半の内部回路をシャットダウンすることで極めて小さい自己消費電流ドローを達成しています。内部保護機能には、不足電圧、過電流、過熱があります。DRV8410は、ピンツーピン、スケーラブルRDS (ON) オプションを備えたデバイスファミリの一部であり、最小限の設計変更でさまざまな負荷をサポートします。
特徴
- デュアルHブリッジ・モータードライバ、ドライブ可能なこと-
- バイポーラ・ステッパ・モータ1個
- ブラシ付きDCモーター1個または2個
- ソレノイドとその他の誘導負荷
- HS + LS = 800mΩ(標準、25°C)低オン抵抗
- 広い電源電圧範囲 1.65V~11V
- ピンツーピン互換性-
- DRV8833 ブリッジあたり360mΩ
- DRV8833C ブリッジあたり1735mΩ
- DRV8847 ブリッジあたり1000mΩ
- DRV8411 ブリッジあたり400mΩ
- DRV8411A ブリッジあたり400mΩ
- 2.5Aピーク高出力電流機能
- PWM制御インターフェイス
- 1.8V、3.3V、5Vのロジック入力電圧をサポート
- 統合電流安定化
- VVM = 5V、TJ = +25°Cで 30nA以下の低電力スリープモード
- 小型パッケージとフットプリント
- 16ピンのHTSSOP(PowerPAD™、5.0mm x 4.4mm)
- 16ピンのWQFN(PowerPAD™、3.0mm x 3.0mm)
- 統合された保護機能
- VM低電圧誤動作防止(UVLO)
- 自動再試行の過電流保護(OCP)
- サーマルシャットダウン(TSD)
- 障害通知ピン(nFAULT)
アプリケーション
- バッテリ駆動玩具
- POSプリンタ
- 映像防犯カメラ
- オフィス自動化マシン
- ゲーム用機械
- ロボット工学
- 電子スマートロック
- 汎用ソレノイド負荷
簡略図
機能ブロック図
公開: 2022-12-19
| 更新済み: 2024-07-15
