Texas Instruments DRV8705-Q1 Hブリッジスマートゲートドライバ
Texas Instruments DRV8705-Q1 Hブリッジスマートゲートドライバは、高度に統合されたHブリッジゲートドライバで、高圧側と低圧側のNチャンネルパワーMOSFETを駆動する能力があります。集積ダブラ充電ポンプを使用して、高圧側にリニアレギュレータを使用し、低圧側に適切なゲート駆動電圧を生成します。このデバイスには、スマートゲートドライブアーキテクチャが採用されており、システムコストを削減して信頼性を向上することができます。ゲートドライバは、シュートスルー状態を回避するためにデッドタイムを最適化します。ゲートドライバは、シュートスルー状態を回避するためにデッドタイムを最適化し、調整可能なゲート駆動電流を介して電磁干渉(EMI)を低減する制御も提供しており、VDSおよびVGSモニタによるドレイン-ソースおよびゲート短絡状態から保護します。低圧側シャントアンプを使用すると、モータ電流を測定する電流センシングが可能になり、電流制限またはストール検出を目的とした外部コントローラへのフィードバックを実現できます。Texas Instruments DRV8705-Q1は、堅牢なシステム動作を保証する一連の保護機能を提供します。これらには、電源と充電ポンプの不足および過電圧モニタ、外部MOSFETのVDS過電流、VGSゲート障害モニタ、オフラインオープン負荷と短絡診断、内部熱警告とシャットダウン保護が含まれます。
特徴
- 車載アプリケーション向けAEC-Q100認定
- –40°C~+125°C、TA温度グレード 1
- 機能安全対応
- 機能安全システム設計を支援する文書を利用可能
- ハーフブリッジスマートゲートドライバ
- 4.9V~37V(40V絶対最大)動作範囲
- 100%のPWM向けのダブラ充電ポンプ
- ハーフブリッジとHブリッジ制御モード
- ピン-to-ピン・ゲートドライバの型式
- DRV8106-Q1: ハーフブリッジ(インラインアンプ搭載)
- DRV8706-Q1: Hブリッジ(インラインアンプ搭載)
- スマートゲートドライブアーキテクチャ
- 調整可能なスルーレート制御
- 0.5mA~62mAピークソース電流出力
- 0.5mA~62mAピークシンク電流出力
- 集積デッドタイム・ハンドシェーク
- ローサイド電流シャントアンプ
- 利得設定を調整可(10、20、40、80V/V)
- 集積帰還抵抗器
- PWMブランキング・スキームを調整可
- 複数のインタフェースオプションでご用意あり
- SPI: 詳細な構成と診断
- H/W: 簡素化された制御とさらに少数のMCUピン
- EMI低減のための拡散スペクトラムクロッキング
- コンパクトなVQFNパッケージ(ウェッタブルフランクあり)
- 統合保護機能
- 専用のドライバ無効ピン(DRVOFF)
- 供給とレギュレータ電圧モニタ
- MOSFET VDS過電流モニタ
- MOSFET VGSゲート障害モニター
- 逆極性MOSFETの充電ポンプ
- OFFライン・オープン負荷と短絡診断
- デバイスの温度警告とシャットダウン
- 障害状態割り込みピン (nFAULT)
アプリケーション
- 車載ブラシ付きDCモーター
- ソレノイドとリレー
- パワーウィンドウリフトとスライディングドア
- 電動サンルーフ
- 電源シートモジュール
- 電動トランクとリフトゲート
- BDC燃料、水、油ポンプ
- ウィンドウワイパー
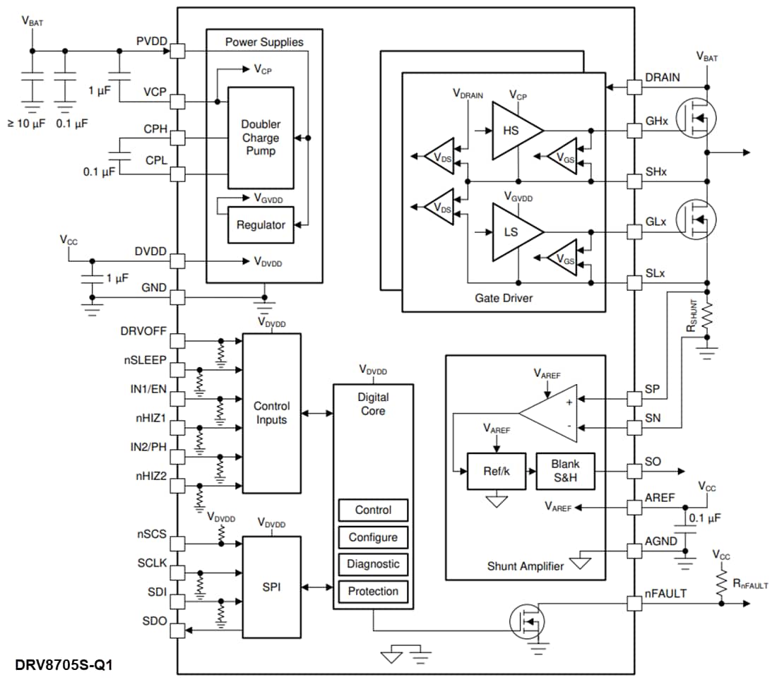
DRV8705Sのブロック図
DRV8705Hのブロック図
公開: 2021-05-18
| 更新済み: 2022-03-11
