Texas Instruments DRV8770 100Vブラシ付きDCゲートドライバ
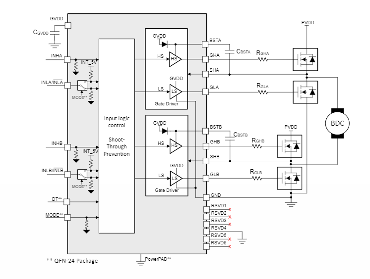
Texas Instruments DRV8770 100Vブラシ付きDCゲートドライバには、2つのハーフブリッジゲートドライバが備わっており、それぞれが高圧側と低圧側のNチャンネルパワーMOSFETを駆動できます。統合ブートストラップダイオードと外部コンデンサは、高圧側MOSFETを対象とした正しいゲート駆動電圧を生成し、他方、GVDDは、低圧側MOSFETのゲートを駆動します。ゲート駆動アーキテクチャは、最大750mAソースおよび1.5Aシンクのゲート駆動電流をサポートしています。ゲートドライブピンの高電圧公差によって、システムの堅牢性が向上します。TI DRV8770 100Vブラシ付きDCゲートドライバは、大幅な負の電圧過渡を許容するSHx位相ピンを提供します。同時に、高圧側ゲートドライバ供給は、BSTxおよびGHxピンでより高い正の電圧過渡(115V絶対最大)をサポートできます。小さな伝搬遅延と遅延整合仕様を活用して効率性がさらに向上し、デッドタイム要件を最小限に抑えます。GVDDおよびBST低電圧ロックアウトを介した低圧側と高圧側の両方に低電圧保護が備わっています。
特徴
- 100V Hブリッジ・ゲート・ドライバ
- NチャンネルMOSFET(NMOS)を駆動
- 5V~20Vのゲートドライバ供給(GVDD)
- 最大100VをサポートしているMOSFET供給(SHx)
- 統合ブートストラップダイオード
- 反転および非反転INLx入力(QFNパッケージ)をサポート
- ブートストラップゲートドライブアーキテクチャ
- 750mAソース電流
- シンク電流:1.5A
- 最大15sのバッテリ駆動アプリケーションをサポート
- SHxピン(<55µA)での低漏洩電流
- 絶対(最高)BSTx電圧115Vまで
- SHxピンで最低-22Vまでの負の過渡をサポート
- QFNパッケージに収められたDTピンを介した調整可能なデッドタイム
- TSSOPパッケージでの200nsの固定デッドタイム挿入
- 20V abs(最大)が備わった3.3V、5Vロジック入力をサポート
- 4ns(標準)伝播遅延マッチング
- コンパクトなQFNおよびTSSOPパッケージとフットプリント
- パワーブロックを活用した効率的なシステム設計
- 統合保護機能
- BST低電圧ロックアウト(BSTUV)
- GVDD低電圧(GVDDUV)
アプリケーション
- 電動バイク、電動スクータ、Eモビリティ
- コードレス園芸工具と芝刈り機
- コードレス電気掃除機
- ドローン、ロボット工学、RC玩具
- 工業および輸送デバイス
- 電動工具
簡略図
ブロック図
公開: 2022-03-14
| 更新済み: 2023-04-12
