Texas Instruments DRV8848デュアルHブリッジモータドライバ
Texas Instruments DRV8848デュアルHブリッジモータドライバには、NMOSドライバと電流センス安定化回路が採用されている2つのHブリッジが統合されています。各Hブリッジドライバの出力ブロックは、モーター巻線を駆動するためにフルHブリッジとして構成されたNチャンネルおよびPチャンネルパワーMOSFETで構成されています。各Hブリッジには回路が搭載されており、固定オフタイムチョッピングスキームを使用して巻線電流の安定化を図ります。これらのドライバは、各出力から最大2A電流、または並列モード(適切なヒートシンク、12Vおよび25°C TAで)で4Aの電流を駆動します。DRV8848ドライバは、低電圧ロックアウト(UVLO)、過電流保護(OCP)、熱シャットダウン(TSD)、故障状態表示ピン(nFAULT)が特徴です。これらのドライバは、電化製品、一般的なブラシ付きおよびステッパモータ、プリンタで使用されます。特徴
- デュアルHブリッジモータドライバ:
- シングル/デュアルブラシDC
- ステッパ
- Hブリッジあたりの高出力電流:
- 12VおよびTA=2,5°Cで2Aの最大ドライバ電流
- 12VおよびTA=2,5°Cで4Aの最大ドライバ電流の能力があるパラレルモードを利用可能
- 動作供給電圧範囲: 4 ~18V
- HS+LS = 900mΩ (標準、25°C)低オン抵抗
- PWM制御インターフェイス
- 20μs固定オフタイムが備わったオプションの電流安定化
- 小電流3µAスリープモード
- 熱特性が改善された表面実装パッケージ
- 保護機能
- 低電圧ロックアウト(UVLO)
- 過電流保護(OCP)
- サーマルシャットダウン機能(TSD)
- 故障状態表示ピン(nFAULT)
アプリケーション
- プリンタ
- 一般的なブラシ付きモータとステッパモータ
- 家電製品
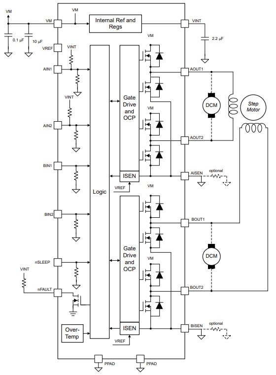
機能ブロック図
回路図の簡素化
公開: 2025-01-22
| 更新済み: 2025-02-19
