Texas Instruments DRV8884 1.0Aステッパモータードライバ
Texas Instruments DRV8884 1.0Aステッパモータドライバは、産業用機器アプリケーション向けのステッピングモータドライバです。このデバイスには2つのNチャネルパワーMOSFETHブリッジドライバ、マイクロステッピングインデクサ、および電流検出機能が組み込まれています。DRV8884は、フルスケールで1.0A、rmsで0.7Aまでの出力電流を供給できます。電流検出機能が組み込まれているため、2つの外部検出抵抗が必要ありません。STEP/DIRピンは、シンプルな制御インターフェイスとして使用できます。デバイスは、フルステップから1/16ステップまでのモードに構成可能です。低消費電力のスリープモードが用意されており、専用のnSLEEPピンを使用することで、静止電流の非常に低いスタンバイモードに移行できます。特徴
- PWMマイクロステッピングのステッピングモータドライバ
- 最大1/16のマイクロステッピング
- 非循環および標準の½ステップモード
- 電流検出機能を搭載
- 検出抵抗が不要
- ±6.25%のフルスケール電流精度
- 低速および混合減衰オプション
- 8.0~37Vの電源電圧範囲で動作
- 低いRDS(ON): 24V、25°Cで1.4Ω HS + LS
- 高い電流容量
- ブリッジごとにフルスケールで1.0A
- ブリッジごとにrms 0.7A
- 固定オフ時間のPWMチョッピング
- シンプルなSTEP/DIRインターフェイス
- 低消費電流のスリープモード(20µA)
- 小さなパッケージと占有面積
- 24 HTSSOP (PowerPAD)
- 保護機能
- VM低電圧誤動作防止(UVLO)
- チャージポンプ低電圧(CPUV)
- 過電流保護(OCP)
- サーマルシャットダウン機能(TSD)
- フォルト状況表示ピン(nFAULT)
アプリケーション
- 多機能プリンタとスキャナ
- レーザービームプリンタ
- 3Dプリンタ
- 現金自動預入支払機と貨幣処理機
- 映像防犯カメラ
- オフィス自動化マシン
- ファクトリオートメーションとロボット工学
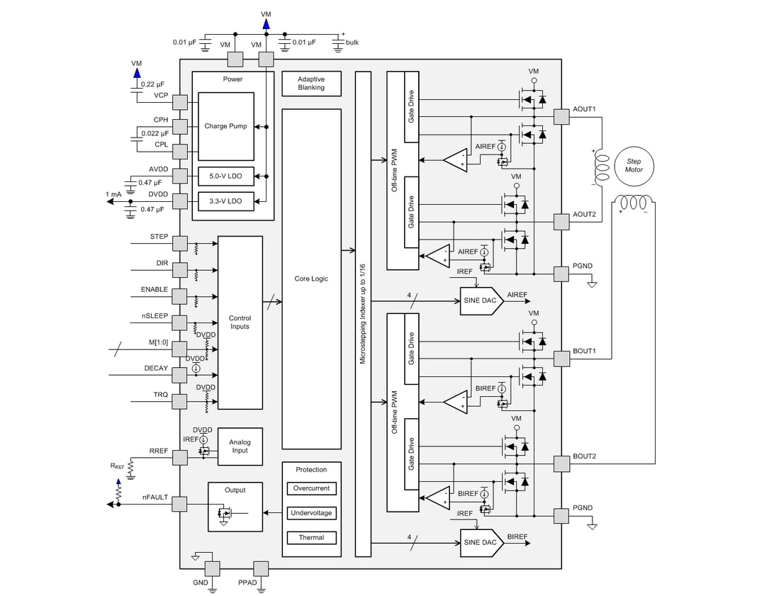
機能図
公開: 2016-07-01
| 更新済み: 2022-03-11
