Texas Instruments DS560DF410 4チャネル、マルチレートリタイマ
Texas Instruments DS560DF410 4チャンネル・マルチレート・リタイマには、統合シグナル・コンディショニングが装備されています。このデバイスは、長く損失性のクロストーク障害の高速シリアル・リンクのリーチと堅牢性を拡張します。DS560DF410の各チャンネルは、19.6~28.9GBdまたはサポートされている任意のサブレートの連続範囲で、個別にシンボルレート(PAM4とNRZ)にロックされます。統合CDR機能は、フロントポート光モジュール・アプリケーションに最適で、高速シリアル・データを再タイムしてジッタ・バジェットをリセットできます。これらの機能によって、個々のレーンの順方向エラー訂正(FEC)パススルーが可能になります。さらに、DS560DF410は、ホストの介入を必要とせずに、最大5つの変調タイプとボーレートの組み合わせをCDRロックするために、自動レーン・レート・スイッチングをサポートしています。Texas Instruments DS560DF410の高度イコライゼーション機能には、連続適応型連続時間リニアイコライザ(CTLE)、ディシジョン・フィードバック・イコライザ(DFE)、RXフィードフォワードイコライザ(FFE)、プログラマブル低ジッタ4タップTXフィードフォワードイコライザ(FFE)フィルタがあります。これらの機能によって、複数のコネクタとクロストークでの直接取付銅(DAC)ケーブルやバックプレーンといった、損失の多い相互接続を目的としたリーチ拡張が可能になります。DS560DF410には、ビットmuxとde-muxギアボックスがあり、ホストとモジュールの間のシンプルなPAM4-to-NRZまたはNRZ-PAM4変換を目的としています。ギアボックスは、最大28.9GBdの1対のNRZ入力を1つの28.9GBd PAM4出力に集約できることに加えて、1つの28.9GBd PAM4入力を1対の28.9GBd NRZ出力に再分割することができます。
DS560DF410は、I2Cまたは外部EEPROMを通じて構成できます。最大16台のデバイスで1つのEEPROMを共有できます。
特徴
- 信号調整機能付きのクワッドチャネル、マルチプロトコルリタイマ、
- すべてのチャンネルは、PAM4およびNRZデータレート19.6~28.9GBdの両方に個別にロック(div-by-2およびdiv-by-4サブレートを含む)
- CEI-56G、Ethernet™(400GbE)、ファイバチャネル(64GFC)、InfiniBand™(HDR)、CPRI/eCPRI PCB、銅ケーブル、光学アプリケーションまでの範囲に最適
- 低レイテンシ:26.5625GBdで2000ps未満(代表値)
- 適応型連続時間リニアイコライザ(CTLE)、RXフィードフォワードイコライザ(FFE)、判定帰還型イコライザ(DFE)により、30dB以上のチャネル損失(13.28GHzの場合)をサポート
- CDRロックのための自動レーンレートスイッチングをサポートしており、最大5種類のボーレートと変調タイプの組み合わせを使用可能
- 統合2×2クロスポイント
- 調整可能な4タップTX FFEフィルタ
- ギアボックスモードのサポート(NRZ/PAM4ビットのマルチプレクサ/デマルチプレクサ、NRZ/PAM4シリアライザ/デシリアライザ)
- オンチップのアイオープニングモニタ(EOM)、PRBSジェネレータ、およびデバッグ用のPRBSチェッカー
- デュアル1.8Vおよび1.2V供給
- –40°C~+85°C動作温度範囲
- ACカップリングコンデンサを内蔵した7.65mm × 7.65mmのBGAパッケージ
アプリケーション
- アクティブ電気ケーブル (aec) (SFP、SFP-DD、QSFP、QSFP-DD、OSFP)
- バックプレーン(KR)とミッドプレーンのチップ間(C2C)接続装置における(AUI)到達範囲拡張
- フロントポートC2Mアタッチメント装置インターフェイス(AUI)ジッタクリーニング
- NRZ-to-PAM4集約と分散集約が備わった速度ダブル(ギアボックス)
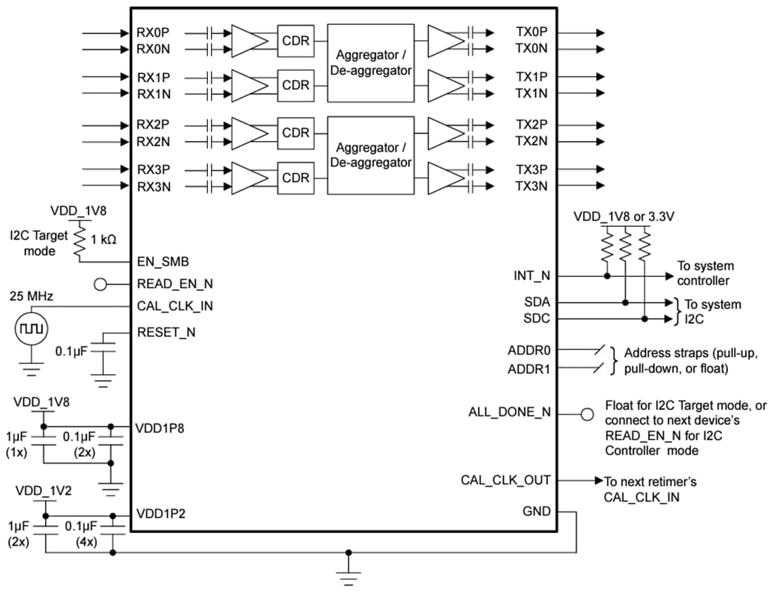
簡略図
公開: 2023-05-08
| 更新済み: 2024-02-09
