Texas Instruments DS90UB662-Q1クワッドFPD-Link IIIデシリアライザハブ
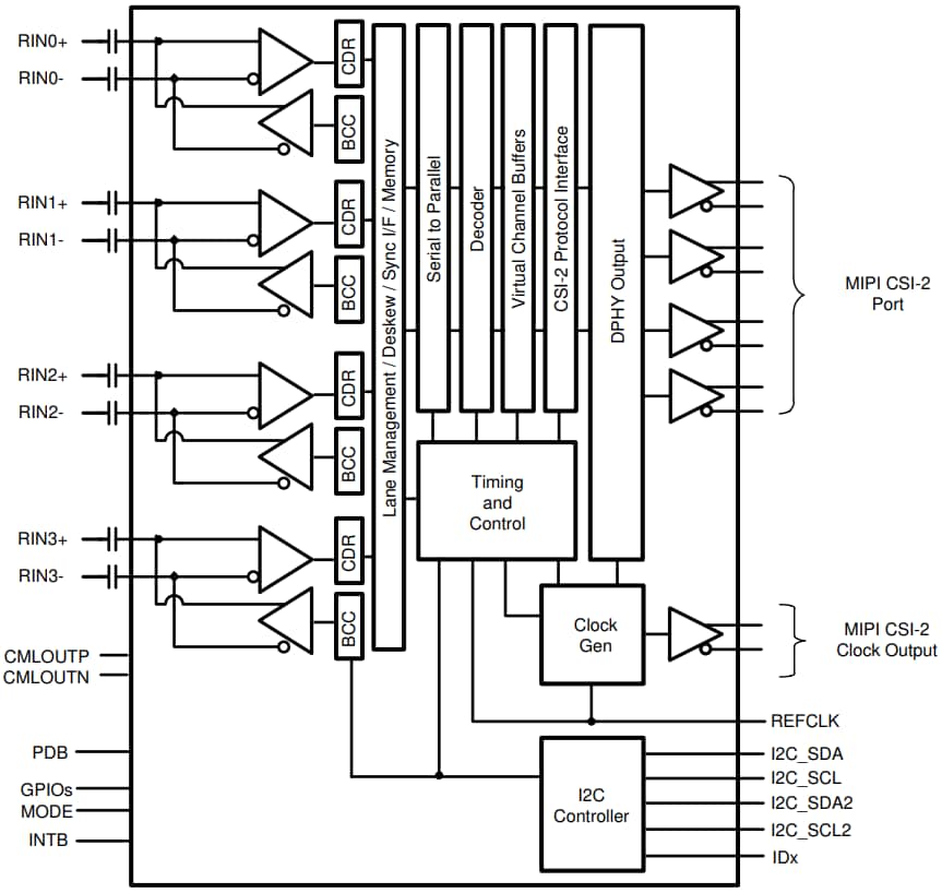
Texas Instruments DS90UB662-Q1 クワッドFPD-Link III デシリアライザハブは、4つの独立したビデオ・データ・ストリームから受信したシリアル化されたセンサ・データをFPDリンクIIIインタフェイスで接続できる汎用センサハブです。DS90UB633A-Q1、またはDS90UB63xCSI-2 シリアライザと組み合わせると、DS90UB662-Q1は720p/800p/960p/1MP解像度をサポートする1メガピクセルlイメージセンサから30Hz、または60Hzのフレームレートでデータを受信します。データが受信されると、ダウンストリームプロセッサとの相互接続のための、MIPI CSI-2に準拠した出力に集約されます。Texas Instruments DS90UB662-Q1には4つのFPD-Link IIIデシリアライザが含まれており、それぞれが費用対効果の高い50Ωシングルエンド同軸または100ΩディファレンシャルSTPケーブルを通じて接続することができます。受信イコライザが、継時的劣化を含む自動的にケーブルロスの特徴を保管するために自動的に採用されます。各FPDリンクIIIインターフェイスには、I2C、GPIO、その他の制御情報を継続的に伝達する、独立した低レイテンシ双方向制御チャンネルも含まれます。カメラ同期や診断機能などに必要な汎用I/O信号も、この双方向制御チャンネルを使用します。
DS90UB662-Q1は、AEC-Q100 自動車アプリケーション向けに認定されており、コスト効率が高く省スペースの64ピン VQFN パッケージで提供されます。
特徴
- 車載アプリケーション向けAEC-Q100認定:
- –40C~+105C周囲動作温度範囲(デバイス温度グレード2)
- デバイスHBM ESD分類レベル: ±3kV
- デバイスCDM ESD分類レベルC5
- 最大4台のセンサからのデータを同時に集約するクワッド・デシリアライザ・ハブ
- フレームレート60Hzまでの1メガピクセルセンサ、およびフレームレート30Hzまでの2メガピクセルセンサに対応
- 正確なマルチカメラ同期
- MIPI DPHY Version 1.2 / CSI-2 Version 1.3に準拠
- 1 × CSI-2 MIPI出力ポート
- 1、2、3データレーンに対応
- 1レーンあたり400Mbps/800Mbps/1.2Gbps/1.5Gbps/1.6GbpsでスケールできるCSI-2データレート
- 超低データと制御パス・レイテンシ
- Power-over-Coax (PoC) などのシングルエンド同軸またはシールド・ツイストペア(STP)ケーブルをサポート
- 適応型受信イコライゼーション
- デュアル I2Cポート(高速モード+、最大1Mbps)
- センサの同期と診断用の柔軟性に富んだGPIO
- DS90UB633A-Q1シリアライザおよびDS90UB63x CSI-2シリアライザとの互換性あり
- 内部プログラマブル精密フレーム同期発生器
- 回線障害検出と高度な診断
- 機能安全対応
- ISO 26262システム設計を支援する文書を利用可能
アプリケーション
- 車載用ADAS
- リアビューカメラ(RVC)
- サラウンドビューシステム(SVS)
- カメラ監視システム(CMS)
- フォワードビジョンカメラ(FC)
- ドライバ監視システム(DMS)
- 衛星RADAR、飛行時間(ToF)、LIDARセンサモジュール
- センサフュージョン
- 警備/防犯装置
機能ブロック図
ビデオ
公開: 2020-12-16
| 更新済み: 2025-02-27
