Texas Instruments DS90UB949A-Q1 HDMI-to-FPD-Link IIIシリアライザ
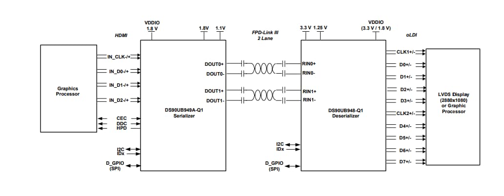
Texas Instruments DS90UB949A-Q1 2K HDMI-to-FPD-Link IIIブリッジシリアライザは、DS90UB940-Q1 / DS90UB948-Q1と組み合わせると、費用対効果が高い50Ωシングルエンド同軸、あるいは100Ω差動シールドツイストペア(STP)ならびにシールドツイストクワッド(STQ)ケーブルを使用して、1レーンまたは2レーンのハイスピードシリアルストリームを供給します。DS90UB949A-Q1は、HDMI v1.4b入力をシリアル化し、24ビット色深度で60Hzで最大2880x1080までのビデオ解像度に対応できます。FPD-Link IIインターフェイスは、ビデオとオーディオデータ伝送の両方、およびI2CとSPI通信をはじめとする同じ差動リンクを使用したフルデュプレックス制御に対応しています。2つの差動ペアを介したビデオデータの統合と制御は、相互接続サイズの削減、アプリケーション重量を減少、システム設計の簡素化に貢献できます。低電圧差動信号、データ・スクランブリング、ランダム化の使用によってEMIを最小化します。下位互換モードでは、1920x720までの解像度に対応しており、デバイスがDS90Ux92x-Q1デシリアライザとペアリングされているとシングル差動リンクを介した24ビット色深度が備わっています。
DS90UB949A-Q1は、外部I2Sインターフェイスを介して受信したマルチチャンネルオーディオに対応しており、オプションの補助オーディオインターフェイスが搭載されています。DS90UB949A-Q1シリアライザは、車載アプリケーションを対象としたAEC-Q100の認定を取得しています。
特徴
- 車載アプリケーション向けAEC-Q100認定
- -40°C~+105°C, TAのデバイス温度グレード2
- 30Hzで3K(2880x1620)、QXGA(2048x1536)、2K(2880x1080)、WUXGA(1920x1200)、または1080p60(24ビット色深度)を対象に最大210MHzまでのTMDSクロック周波数に対応
- シングルおよびデュアルFPD-Link III出力、STPまたはSTQあるいは同軸ケーブルをサポート
- 高品位マルチメディア(HDMI)v1.4b互換入力
- HDMIモードのディスプレイポート(DP++)入力
- 最大8チャンネルのHDMIオーディオ抽出
- GPIO最大2Mbpsをサポートしているハイスピードバックチャンネル
- EMIを低減するスペクトラム拡散クロックのトラッキング
- 1Mbpsの高速モードプラスが搭載されたI2C(マスタ/スレーブ)
- SPIパススルー・インターフェイス
- DS90UB926Q-Q1、DS90UB928Q-Q1、DS90UB924-Q1 FPD-Link IIIデシリアライザとの下位互換性あり
アプリケーション
- 自動車インフォテインメントとクラスタ
- 車載用ヘッドユニット
- 車載用後部座席エンターテイメント
- 車載用センター情報表示
- 商用車計器クラスタ
- 車載用マルチメディアハブ
- オーディオ/ビデオ制御システム
アプリケーション回路図
公開: 2019-11-13
| 更新済み: 2024-01-31
