Texas Instruments HDC3120EVM評価モジュール(EVM)
Texas Instruments HDC3120EVM 評価モジュール(EVM)は、HDC3120 アナログ湿度・温度センサの性能を実証するために設計されています。このモジュールは、さまざまな温度、湿度、電源条件下におけるセンサ動作のテストを可能にするシステムレベルの評価と統合の柔軟性を提供します。HDC3120EVM モジュールは、2つのオンボード TLV9030 コンパレータが特徴で、HDC3120の温湿度アナログ出力がユーザー定義の閾値を超えるとアナログアラート出力を実現しています。代表的なアプリケーションには、電動パワーステアリング (EPS)、バッテリ管理システム(BMS)、HVAC、インバータ、データセンター、テレコム電力システム、家電、エネルギーインフラがあります。特徴
- HDC3120の温湿度機能を簡単に検証することが可能
- オンボードのTLV9030 コンパレータが、最終機器設計プロセスにおけるセンサのさらなる評価のためのスイッチ的機能を提供
- ユーザーの利便性を考慮した幅広い接続およびテストポイント
アプリケーション
- 主要な家電製品
- 食器洗い機
- 洗濯機および乾燥機
- 冷蔵庫および冷凍庫
- エネルギーインフラ
- バッテリエネルギーストレージシステム
- リモート配電オートメーション
- データセンター
- テレコム電力システム
- 自動車:
- 電動パワー・ステアリング(EPS)
- バッテリ管理システム(BMS)
- HVAC
- インバータ
ボードの概要
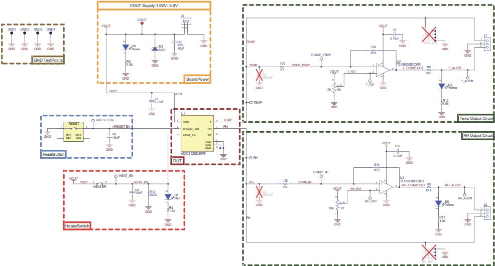
スキーム図
公開: 2025-06-30
| 更新済み: 2025-07-17
