Texas Instruments INA351 計装用アンプ
Texas InstrumentsINA351計装アンプは、統合リファレンス バッファを備えたゲイン選択可能な計装アンプです。小さなパッケージのINA351ABSおよびINA351CDSバリアントにわたって 4 つのゲイン オプションを提供します。INA351CDSは30または50のゲイン オプションがあり、INA351ABSは10または20のゲイン オプションがあります。これらのゲイン オプションは、ゲイン選択 (GS) ピンを切り替えることで選択できます。INA351、ブリッジタイプのセンシングおよび差動からシングルエンドへの変換アプリケーションに最適です。INA351、精度が一致した統合抵抗器を使用して構築されており、正確なまたは厳密に一致した外部抵抗器の必要性を排除することで、BOM コスト、基板スペース、ピックアンドプレース機械の取り扱いコストを節約します。INA351、低速の 10 ビットから 14 ビットのアナログ - デジタル コンバータ (ADC) に直接接続でき、市販のアンプやディスクリート抵抗で構築された計装アンプのディスクリート実装を置き換えるのに最適です。
3 アンプ アーキテクチャで設計されたINA351、パフォーマンスを実現するために最適化されています。このデバイスは、最大静止電流の135µAのみを消費しながら、最小 CMRR の86dBと最大ゲイン誤差の正確な0.1%を達成し、さらにすべてのゲイン オプションにわたる最大オフセットの1.3mVを達成します。Texas Instruments INA351には、バッテリ駆動アプリケーションでのさらなる省電力を目的としたアイドル時にアンプをオフにする統合シャットダウン・オプションがあります。
特徴
- サイズ、コスト、電力を重視するアプリケーション向けに設計
- 統合されたリファレンスバッファによる選択可能なゲインオプション
- G = 10またはG = 20(INA351ABS)
- G = 30またはG = 50(INA351CD)
- 省スペースの超小型パッケージオプション
- 10-pin X2QFN (RUG) – 3mm2
- 8-pin WSON (DSG) – 4mm2
- 8 ピンSOT23-THN(DDF) –4.64mm2
- 10 ビットから 14 ビット システム向けに最適化されたパフォーマンス
- CMRR:95dB(標準) すべてのゲインにわたって
- オフセット電圧:0.2mV(代表値) すべてのゲインにわたって
- ゲインエラー(標準):
- Gで0.015%=10.G=50
- G で0,020%=20.G=30
- Gで100kHz =10(標準) 帯域幅
- 20%オーバーシュート (標準値) 未満で500pFを駆動します
- 110µA(標準値)最適化された静止電流
- 電力を重視するアプリケーション向けのシャットダウン オプション
- 1.8V(±0.9V) ~5.5V(±2.75V) の供給範囲
- –40°C ~125°C指定温度範囲
アプリケーション
- ブリッジネットワークセンシング
- 差動からシングルエンドへの変換
- 重量スケール
- アナログ入力モード
- 流量トランスミッタ
- ウェアラブルフィットネスとアクティビティモニタ
- 血糖値モニタ
- 圧力と温度のセンシング
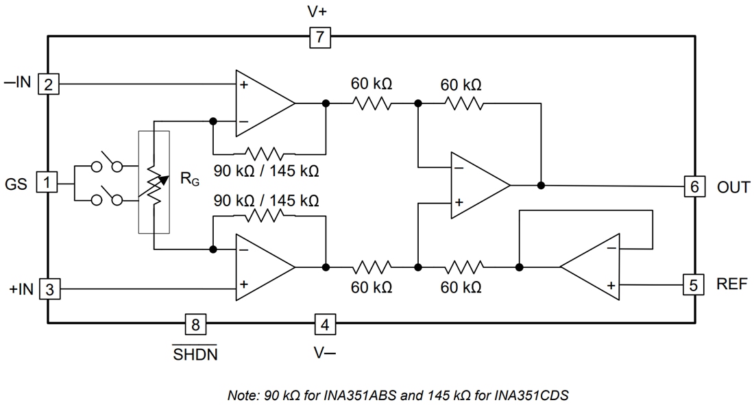
機能ブロック図
公開: 2023-01-17
| 更新済み: 2023-11-28
