Texas Instruments ISO1044B絶縁CAN FDトランシーバ
Texas Instruments ISO1044B絶縁型 CAN FD トランシーバは、ISO11898-2(2016) 標準の仕様に適合する、ガルバニック絶縁のコントローラ・エリア・ネットワーク (CAN) トランシーバです。ISO1044Bデバイスは、±58VのDCバス障害保護と±12Vのコモンモード電圧範囲を提供します。デバイスは、CAN FDモードで最大5Mbpsのデータレートをサポートし、従来のCANよりもはるかに速いペイロード転送が可能になります。このデバイスは、二酸化ケイ素(SiO2)絶縁バリア(3,000VRMS の耐電圧と450VRMS の動作電圧を備えた)を使用します。電磁両立性が大幅に向上され、システムレベルのESD、EFT、サージ、放射のコンプライアンスが可能になりました。分離された電源と併用する場合、高電圧からデバイスを保護し、バスからのノイズ電流がローカル・グラウンドに入らないようにします。Texas Instruments ISO1044Bは、-40℃~+125°Cの広い周囲温度範囲をサポートします。このデバイスは、小型SOIC-8(D)パッケージで提供され、CANトランシーバを絶縁するためにオプトカプラを使用する従来のアプローチと比較して、ソリューションのサイズを大幅に縮小します。特徴
- ISO 11898-2:2016物理層標準に適合
- Classic CAN最大1MbpsおよびFD(フレキシブル・データ速度)最大5Mbpsをサポート
- 保護機能
- ±58V DCバス障害保護電圧
- バスピンでの±8kV IEC ESD許容
- バスピンでの±10kV HBM ESD許容
- ドライバドミナントタイムアウト (TXD DTO)
- VCC1 とVCC2 の不足電圧保護
- ±12Vのコモンモード電圧範囲
- 電源オフ時の最適なパッシブ、高インピーダンスのバス端子
- 85kV/µs(最低)高CMTI
- 1.71V~5.5VのVCC1 電圧範囲
- CANコントローラへの1.8V、2.5V、3.3V、5.0Vの論理インターフェイスをサポート
- 4.5V~5.5VのVCC2 電圧範囲
- 堅牢な電磁互換性(EMC)
- システムレベルのESD、EFTおよびサージ耐性
- 低放射
- -40°C~+125°C周囲温度範囲
- 8-SOICパッケージ
- 安全関連認定
- 全ての認証を計画済
- DIN VDE V 0884-11:2017-01に準じたVDE強化絶縁
- UL 1577部品認識プログラム
- IEC 60950-1、IEC 62368-1、IEC 61010-1、GB 4943.1-2011認証
アプリケーション
- ACおよびサーボ・ドライブ
- ソーラーインバータ
- PLCおよびDCS通信モジュール
- エレベータとエスカレータ
- 産業用電源
- バッテリの充電と管理
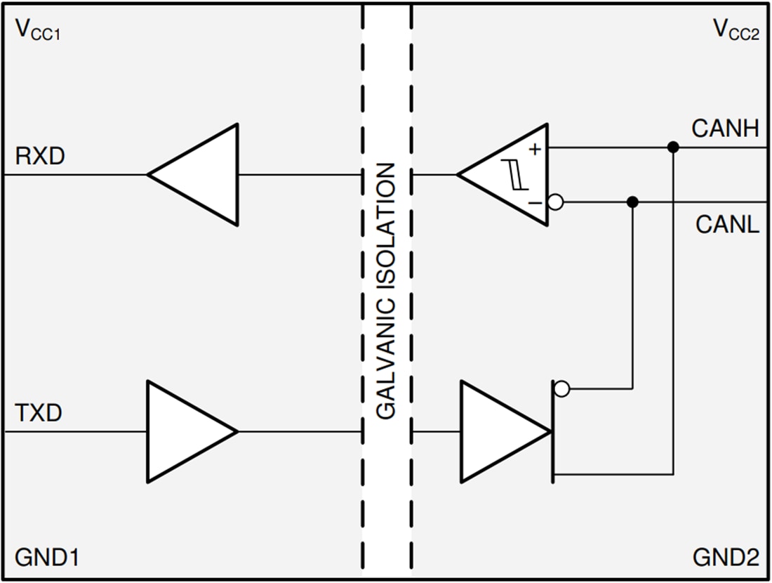
機能ブロック図
公開: 2020-08-07
| 更新済み: 2024-07-29
