Texas Instruments ISO1500 3kVRMS RS-485/RS-422トランシーバ
Texas Instruments ISO1500 3kVRMS RS-485/RS-422トランシーバには、3チャンネル・デジタル・アイソレータとRS-485トランシーバがあり、超小型16ピンSSOPパッケージに収められています。ISO1500トランシーバのバス・ピンは、IEC ESD接触放電およびIEC EFT事象から保護されています。このレシーバ出力には、バスオープン、ショート、アイドル状態のためのフェイルセーフがあります。ISO1500は、小型ソリューション・サイズになっており、他の統合絶縁RS-485ソリューションあるいはオプトカプラと非絶縁型RS-485トランシーバを使用したディスクリート実装に比べて、必要なボード・スペースが縮小されています。このデバイス絶縁による長距離通信に使用され、通信ノード間の接地ループが遮断され、はるかに広い同相電圧範囲が可能になります。各デバイスの左右対称の絶縁壁は、1577に準じた1分間3000VRMSの絶縁を提供できることが試験で確認されています。これは、バスライン・トランシーバとロジックレベル・インターフェイスの間で実施されます。ISO1500 RS-485/RS-422トランシーバは、低電圧FPGAとASICとインターフェイス接続できる1側で1.71V~5.5Vで、2側で4.5V〜5.5Vで動作します。このデバイスは、–40°C~+125°Cの広い周囲温度範囲で動作します。
特徴
- TIA/EIA-485-Aの要件に適合または超過
- ハーフデュプレックス・トランシーバ
- 低EMI 500kbpsデータ・レート
- 1.71V~5.5Vのロジック側供給(VCC1 )、4.5V~5.5Vバス側供給(VCC2)
- 1/8単位負荷: バス上で最高256ノード
- 開回路、短絡、アイドルバス条件用のフェールセーフ・レシーバ
- 100kV/µs(typical)高コモンモード過渡耐性
- 拡張温度範囲: –40°C~+125°C
- ホット・プラグインのためのグリッチフリー・パワーアップおよびパワーダウン
- 超小型SSOP(DBQ-16)パッケージ
- 安全関連認定:
- 全ての認証を計画済
- DIN V VDE V 0884-11:2017-01に準じた4242VPK VIOTMおよび566VPK VIORM
- 3000VRMSで1分間の絶縁(UL 1577による)
- IEC 60950、IEC 60601、EN 61010認証
- CQC、TUV、CSA認証
アプリケーション
- 電子メータ
- 保護リレー
- ファクトリオートメーションおよび制御
- HVACシステムとビル・オートメーション
- モータ駆動
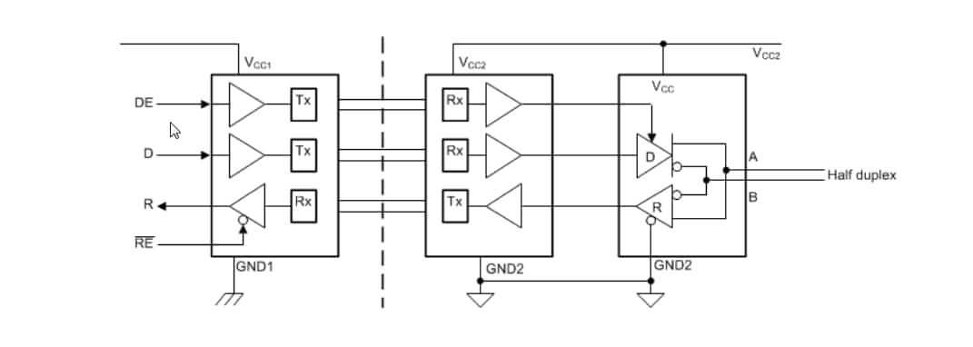
機能図
回路図
公開: 2019-01-18
| 更新済み: 2023-06-05
