Texas Instruments ISO7041DBQEVMアイソレータ評価モジュール(EVM)

Texas Instruments ISO7041DBQEVMアイソレータ評価モジュール(EVM)は、ISO7041低消費電力デジタル・アイソレータの評価に使用されており、16ピンSSOPパッケージに収められています。この評価モジュールは、最小の外付け部品でデバイスを評価する上で十分なテストポイントとジャンパオプション、電流センス機能が特徴です。この評価モジュールは、16ピンSOOP(DBQ)パッケージに収められたTIのクワッドチャンネルデジタルアイソレータの評価用に再構成できます。

特徴

  • 超低消費電力
  • 4kVサージ絶縁
  • 2Mbps

キット内容

  • ISO7041DBQEVM評価モジュール

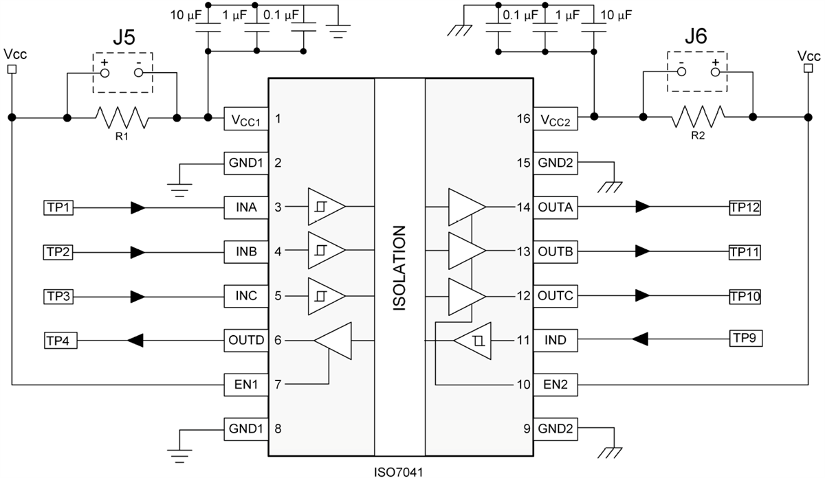
ブロック図

ブロック図 - Texas Instruments ISO7041DBQEVMアイソレータ評価モジュール(EVM)
公開: 2019-03-05 | 更新済み: 2025-03-13