Texas Instruments ISOW774x/ISOW774x-Q1クワッドチャンネルデジタルアイソレータ
Texas Instruments ISOW774x/ISOW774x-Q1クワッドチャンネル・デジタルアイソレータは、低エミッションを実現する集積・高効率電力変換器を搭載したガルバニック絶縁対応品です。集積DC/DCコンバータは最大550mWまでの絶縁電力をサポートしており、実装スペースが限られている絶縁設計に絶縁電源を別途追加する必要がありません。TI ISOW774x/ISOW774x-Q1クワッドチャンネルデジタルアイソレータは、CMOSまたはLVCMOSデジタルI/Oの分離に加えて高耐電磁性が特徴です。これらのアイソレータを使用すれば、UART、SPI、RS-485、RS-232、CANなどのデータ・バスや他の回路のノイズ電流がローカル・グランドに混入して敏感な回路に干渉や損傷を与えることを防止できます。ISOW774x/ISOW774x-Q1は、20ピンのSOIC ワイドボディ (SOIC-WB) DFMパッケージで供給されます。また、 –40°C~+125°Cの広い周囲温度範囲で動作します。特徴
- 車載アプリケーション向けに品質評価済
- AEC-Q100で品質評価済み、結果は以下のとおり:
- デバイス温度グレード1の–40°C~+125°Cの周囲温度範囲
- 低エミッション、低ノイズの統合DC/DCコンバータ
- CISPR 32およびEN 55032 クラスBに適合するように最適化(2層ボードで>5dBのマージン)されたエミッション
- 低ノイズ性能を実現できる、25MHzで動作する低周波数電力コンバータ
- 24mVの低出力リップル
- 効率性の高い出力電力
- 最大負荷時46%の効率性
- 最大で0.55Wの出力電力
- VISOOUT 精度:5%
- 5V~5V:利用可能な最大負荷電流 = 110mA
- 5V~3.3V:利用可能な最大負荷電流 = 140mA
- 3.3V~3.3V:利用可能な最大負荷電流 = 60mA
- チャネルアイソレータと電力変換器用の独立電源
- ロジック電源 (VIO):1.71V~5.5V
- パワー・コンバータ電圧 (VDD):3V~5.5V
- 100Mbpsのデータレート
- 堅牢な電磁互換性(EMC)
- システムレベルのESD、EFTおよびサージ耐性
- 絶縁バリア全域での±8kV IEC 61000-4-2接触放電保護
- 強化絶縁および基礎絶縁のオプション
- 100kV/µs(標準)高CMTI
- 安全関連認定(計画済):
- DIN VDE V 0884-11:2017-01に準じたVDE強化絶縁および基礎絶縁
- UL 1577部品認識プログラム
- IEC 62368-1、IEC 61010-1、IEC 60601-1、GB 4943.1-2011認証
- –40°C~+125°Cの拡張温度範囲
- 20ピン型ワイドボディSOICパッケージ
アプリケーション
- ファクトリーオートメーション
- モーター制御
- グリッドインフラ
- 医療機器
- 試験/測定機器
ビデオ
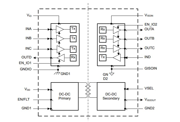
簡略図
データシート
公開: 2022-03-31
| 更新済み: 2023-05-17
