TI LM4041/LM4041xQ基準は、低ダイナミック・インピーダンス、低ノイズ、低温度係数が特徴で、広範な動作電流と温度全体で安定した出力電圧をサポートしています。LM4041は、ウェハ・ソート時にヒューズとツェナー・ザップによる逆方向降伏電圧トリムを利用し、Aグレードの0.1%(最大)からDグレードの1%(最大)までの4種類の出力電圧公差を実現します。そのため、開発者はアプリケーションに最適なコスト対パフォーマンス比を選択する際に、大きな柔軟性を得ることができます。LM4041は、固定(公称1.225V)または調整可能バージョン(出力を1.225V〜10Vの値に設定するには外付け抵抗分圧器が必要)で提供されます。
また、LM4041は、ポータブルアプリケーション向けにも作成されており、省スペースのSC-70およびSOT-23-3パッケージで提供され、45μA(標準)の最小電流を必要とします。TO-92パッケージは、スルーホールパッケージ要件にも対応しています。LM4041xIは、-40°C〜+85°Cの周囲温度範囲での動作が特徴で、LM4041xQは-40°C〜+125°Cの周囲温度範囲での動作が特徴です。
特徴
- 1.225V固定および調整可能出力(1.225V〜10V)
- 厳しい出力公差と低い温度係数
- 最大0.1%、100ppm/°C – Aグレード
- 最大0.2%、100ppm/°C – Bグレード
- 最大0.5%、100ppm/°C – Cグレード
- 最高1,0%、150ppm/°C – Dグレード
- 20μVRMS(標準)の低出力ノイズ
- 45μA(標準)〜12mAの広い動作電流範囲
- すべての容量性負荷で安定;出力コンデンサ不要
- 利用可能:
- 工業用温度範囲:-40°C〜+85°C
- 拡張温度:-40°C〜+125°C
アプリケーション
- データ収集システム
- 電源と電源モニタ
- 計装およびテスト装置
- プロセス制御
- 高精度オーディオ
- 車載用電子機器
- エネルギー管理/計測
- バッテリ駆動機器
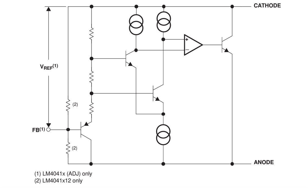
機能ブロック図
ピン構成
公開: 2025-01-17
| 更新済み: 2025-01-28

