Texas Instruments LM5066Hx高度ホットスワップコントローラ
テキサス・インスツルメンツ (Texas Instruments) LM5066Hx アドバンスド ホットスワップ コントローラは、12V/24V/48Vシステム向けに堅牢な保護機能と高精度モニタリングを提供し、プログラム可能なUV、OV、ILIM、高速短絡保護により、入力電源アプリケーションのカスタマイズに対応します。プログラム可能な電力制限閾値と調整可能なフォルトタイマ(tFAULT)により、最大電力損失を抑制し、起動時やフォルト発生時を含むあらゆる条件下でFETのSOA保護を実現します。デジタルタイマを用いた2レベル過電流ブランキングにより、より高い負荷過渡の通過を許容し、低電流制限設定を可能にするとともに、高SOA耐量MOSFETの必要条件を低減します。内蔵されたPMBus® インターフェイスにより、システムのリアルタイムな遠隔監視、制御、および構成設定が可能です。主要パラメータはテレメトリ用にリモートアクセスが可能であり、各種スレッショルドをPMBus経由で構成したり、内部EEPROMに保存することもできます。高速・高精度のアナログ負荷電流モニタは、インテル (Intel) PSYSおよびPROCHOTの機能性を含む予知保全および動的電源管理をサポートし、サーバー性能を最適化します。ブラックボックス障害記録機能は、フィールド障害のデバッグに役立ちます。
LM5066H2は、デュアル ゲートドライブ アーキテクチャを採用しており、起動時やフォルト条件下の電力ストレスには1つの堅牢なSOA FETで対応し、通常の負荷電流動作には低RDS(ON) の小型FETを複数組み合わせることで、ソリューション全体のサイズ削減に貢献します。これらのデバイスは、–40°C~+125°Cのジャンクション温度範囲全域での動作が特徴です。
特徴
- 入力動作電圧範囲: 5.5V ~ 90V
- 絶対最大定格: 100V
- 出力側で最大-5Vの負電圧に対応
- 調整可能なILIM 閾値:10mV~50mV
- プログラム可能なFETのSOA保護
- デジタルタイマを使用したプログラム可能な過電流ブランキング
- 高速ターンオフを実現する強力なゲートプルダウン(1.5A)
- 堅牢な短絡保護
- 高速トリップ応答(270ns)
- 電源ラインの過渡現象に強い
- 追加機能を備えたLM5066H2
- ハイパワーアプリケーション向けのデュアルゲートドライブ
- 並列コントローラ動作用のSYNCピン
- ソフト起動コンデンサの切断
- FETの失敗検出
- プログラム可能なUV、OV、tFAULT 閾値
- 外部FET温度センシング
- FETの失敗検出
- テレメトリ、制御、構成、デバッグ用のPMBusインターフェイス
- 構成用のオンチップEEPROM不揮発性メモリ
- 高精度なVIN、VOUT、IIN、PIN、VAUX モニタリング:V(<><><>
- シングルコマンドでの電力サイクル
- 複数のイベントのブラックボックス障害記録(相対時刻スタンプ付き)を内部EEPROMに保存
- サンプリング速度250kHzの12ビットADC
- READ_EINコマンドによるエネルギー監視をサポート
- 外部FET温度センシング
アプリケーション
- サーバおよび高性能コンピューティング
- ネットワーク・インターフェイスカード
- グラフィックスとハードウェア・アクセラレータ・カード
- データセンタースイッチとルータ
- 入力ホットスワップおよびホットプラグ
- PLC電源管理
- 24V~48V産業システム
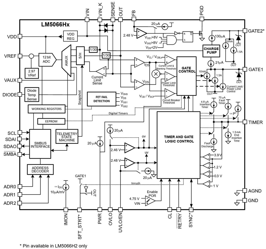
機能ブロック図
公開: 2026-01-22
| 更新済み: 2026-01-27
