Texas Instruments LM51231-Q1整流昇圧コントローラ
Texas Instruments LM51231-Q1整流昇圧コントローラは、広い入力範囲を実現しており、ピーク電流モード制御が採用されています。広い入力範囲は、車載用コールドクランクと負荷ダンプに対応しています。BIASが3.8Vと同等または上回る場合、最小入力電圧を0.8Vまで下げることができます。LM51231-Q1は、トラッキング機能を使って動的にプログラムできる出力電圧を特徴としています。それと同時に、VSUPPLY > VLOADになると自動的にバイパス・モード動作に入り、ハイサイドのMOSFETのボディ・ダイオードの降下が解消します。スイッチング周波数は外部抵抗で動的にプログラムされ、100kHzから2.2MHzまで設定できます。2.2MHzでのスイッチングによってAM帯域干渉が最小限に抑えられ、小型ソリューションサイズと高速過渡応答が可能になります。TI LM51231-Q1整流昇圧コントローラは、VSUPPLY、過電圧保護、熱シャットダウンで一貫したピーク電流制限などの内蔵保護機能を実装しています。外部クロック同期、プログラマブル・スペクトラム拡散変調、最小限の寄生が備わったリードレス・パッケージは、EMIの低減とクロストークの回避がさらに簡単になります。その他の機能には、ラインUVLO、FPWM、ダイオード・エミュレーション、DCRインダクタ電流センシング、プログラマブル・ソフトスタート、パワー・グッド・インジケータがあります。
特徴
- 車載用としてAEC-Q100適格
- 温度等級-40°C~+125°Cで温度等級1、 TA
- 機能安全対応
- 機能安全システム設計を支援する文書を利用可能
- 車載バッテリ駆動アプリケーションの広い動作範囲に最適
- 3.8V~42V入力動作範囲
- 動的にプログラム可能なVOUT 5V~20V、または15V~57V
- BIAS ≧3.8Vのときの最小ブースト入力:0.8V
- V電源 > V負荷 時のバイパス動作
- バイアス・シャットダウン電流≤: 3μA
- 小型ソリューションサイズ
- 最高スイッチング周波数2.2MHz
- 内部ブートダイオード
- ウェッタブルフランク付きQFN-20
- EMIの低減、AM帯域干渉の回避、クロストークの防止
- オプションのクロック同期
- スイッチング周波数100kHz~2.2MHz
- 選択可能なスイッチングモード(FPWM、ダイオードエミュレーション)
- プログラマブル拡散スペクトラム(オプション)
- リードレス・パッケージ
- プログラマビリティと柔軟性
- ダイナミックVOUT トラッキング
- 動的スイッチング周波数プログラミング
- DCRインジケータ電流センシングをサポート
- プログラマブル入力電圧UVLO
- 調節可能なソフトスタート
- 適応型デッドタイム
- PGOODインジケータ
- 集積保護機能
- V電源供給でサイクル 毎の一定のピーク電流制限
- 過電圧保護
- HB-SWショート保護
- 熱シャットダウン
アプリケーション
- 追跡機能を備えた車載用オーディオ電源
- 車載用LEDバイアス供給
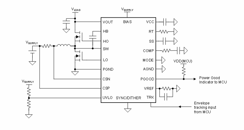
代表的なアプリケーション
公開: 2022-12-20
| 更新済み: 2025-03-05
