Texas Instruments LM5146-Q1 100V同期バックコントローラ
Texas Instruments LM5146-Q1 100V同期バック・コンバータは、高入力電流源から、あるいは高電圧過渡の対象となる入力レールからの安定化を図ります。この特徴によって、外部サージ抑制部品の必要性が最小限に抑えらえています。40nsのハイサイド・スイッチ最小オン時間によって大きな降圧比が付与され、48V公称入力から低電圧レールへの直接降圧変換が可能になり、システムの複雑性とソリューションにかかるコストを削減できます。LM5146-Q1は、必要に応じてほぼ100%のデューティ・サイクルで、最低5.5Vまでの入力電圧降下時にも動作し続けます。これによって、高性能48Vバッテリ自動車アプリケーション、ADAS(サラウンドビューECU)、HEV/EVシステムにすぐれた選択肢となります。特徴
- 車載アプリケーション向けAEC-Q100認定
- デバイス温度グレード1: –40°C~125°Cの周囲温度範囲
- 多機能同期バックDC/DCコントローラ
- 広い入力電圧範囲: 5.5V~100V
- 0.8V~60Vの調整可能出力電圧
- ラインフィード・フォワードでの電圧モード制御
- CISPR 25 EMI規格に適合
- 無損失RDS(on)またはシャント電流検出
- スイッチング周波数100kHz~1MHz
- SYNC InおよびSYNC Out機能
- 高VIN / VOUT比のための40ns最小オンタイム
- 低ドロップアウト用140ns最小オフタイム
- 1%フィードバック精度の0.8Vリファレンス
- 標準VTH MOSFET用7.5Vゲートドライバ
- 14ns適応型デッドタイム制御
- 2.3Aソースおよび3.5Aシンク能力
- プリバイアス・スタートアップ用ローサイド・ソフトスタート
- 調整可能なソフトスタートまたは任意の電圧トラッキング
- シーケンシングおよび制御を目的とした高精度イネーブル入力およびオープンドレイン・パワー・グッド・インジケータ
- 堅牢な設計のための固有の保護機能
- ヒカップモード過電流保護
- ヒステリシスでの入力UVLO
- VCCおよびゲート駆動UVLO保護
- ヒステリシスを備えた熱シャットダウン保護
- 20ピンVQFNパッケージ(ウェッタブルフランク付き)
アプリケーション
- 高電力車載用DC/DCレギュレータ
- 車載用モータドライブ、ADAS
- LV-148に準拠したHEV/EVパワー準拠
Datasheets
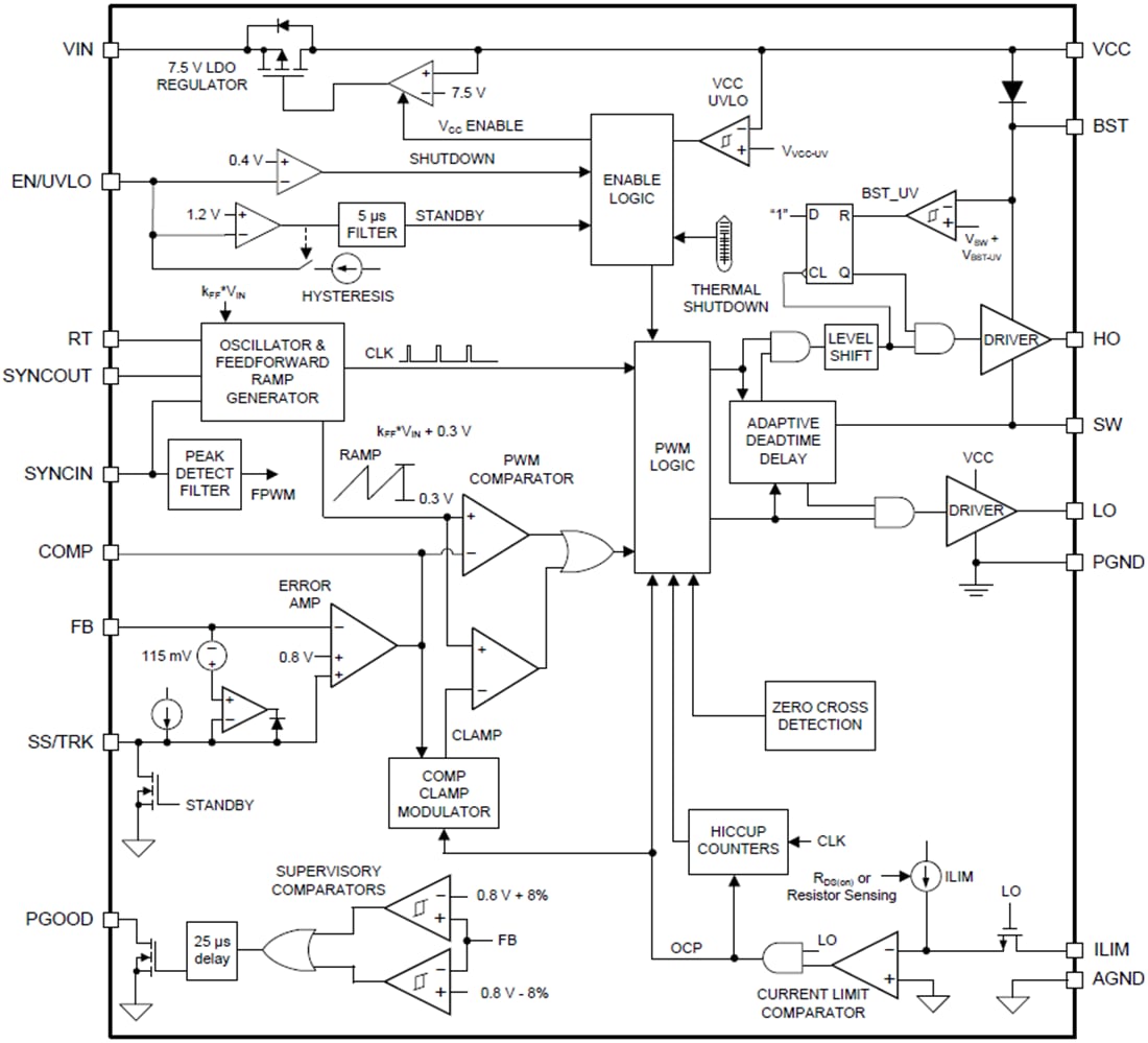
機能ブロック図
公開: 2019-03-06
| 更新済み: 2023-07-27
