Texas Instruments LM5148/LM5148-Q1バックDC/DCコントローラ
Texas InstrumentsLM5148/LM5148-Q1同期バックDC/DCコントローラは、80Vの超低IQコントローラで、単一出力の高電流アプリケーション向けです。このコントローラは、ピーク電流モード制御アーキテクチャを採用し、高速の過渡応答、容易なループ補償、優れた負荷およびラインレギュレーションを実現しています。LM5148は、大電流アプリケーション用に正確に電流を共有できる理想的な位相モード(並列出力)に設定することができます。3.5Vという低い入力電圧と、必要に応じてほぼ100%の負荷サイクルで動作することができます。LM5148/LM5148-Q1のその他の特徴には、150°Cの最大接合部温度動作、軽負荷状態での消費電流を低減するユーザー選択式ダイオードエミュレーション、障害報告および出力監視用のオープンドレインパワーグッドフラグ、高精度イネーブル入力、プリバイアス負荷への単調起動、統合VCC バイアス電源レギュレータ、内部3msソフトスタート時間、自動回復付きサーマルシャットダウン保護があります。LM5148/LM5148-Q1コントローラは、3.5-mm×5.5-mmの熱特性強化型24ピンVQFNパッケージに収められています。Texas Instruments LM5148-Q1デバイスは、車載アプリケーション用のAEC-Q100認定を受けています。
特徴
- 機能安全対応
- 機能安全システムの設計に役立つ資料を提供
- 汎用性の高い同期バックDC/DCコントローラ
- 広い入力電圧範囲:3.5V~80V
- 1%の精度、3.3V、5V、12Vの固定出力、または0.8V~55Vの間で調整できる出力
- 最高接合部温度:150°C
- 無損失DCRまたはシャント電流センシング
- シャットダウンモード電流:2.3µA
- 無負荷スリープ電流:9.5µA
- 3msの内部ソフトスタート・ランプ
- 二相までスタック可能
- 内部ブートストラップダイオード
- 統合されたEMI緩和
- 低周波帯域と高周波帯域のEMI性能を向上させるデュアルランダムスペクトラム拡散(DRSS)機能を選択可能
- CISPR 32クラスBの要件に適合するように最適化
- スイッチング周波数:100kHz~2.2MHz
- SYNC入力とSYNC出力の機能
- PFMモードまたはFPWMモードを選択可能
- 堅牢な設計のための本質的な保護機能
- 内部ヒカップモード過電流保護
- ENABLEとPGOODの機能
- VCC 、VDDA、ゲートドライブUVLO保護機能
- 内部または外部ループ補償
- サーマルシャットダウン保護(ヒステリシスあり)
アプリケーション
- ビルオートメーション
- 産業輸送
- 電力供給
- テストと測定
- 航空宇宙および防衛
データシート
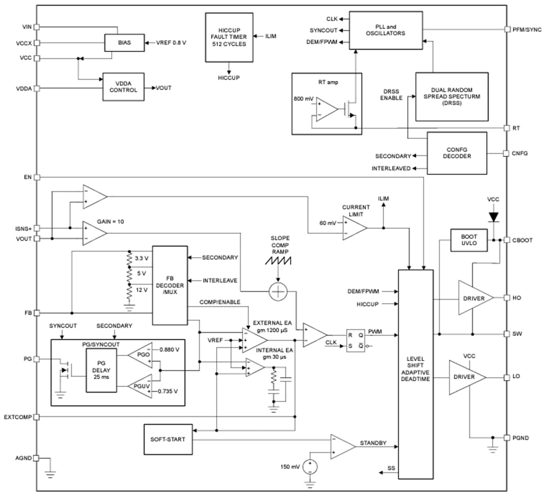
機能ブロック図
公開: 2023-03-14
| 更新済み: 2023-04-19
