Texas Instruments LM51772 4スイッチバックブーストコントローラ
Texas Instruments LM517724スイッチ降圧コントローラは、入力電圧が調整された出力電圧より高い、等しい、または低い場合、調整された出力電圧を提供します。省電力モードでは、デバイスは出力の全動作範囲で非常に高い効率をサポートします。LM51772は固定スイッチング周波数で動作し、RT/SYNCピンで設定できます。強制PWMでは、降圧、昇圧、および降圧-昇圧動作の間、スイッチング周波数は一定のままです。外部補償ピンは、さまざまなアプリケーションに対応する非常に高速な過渡応答を可能にします。このデバイスは、動作モード全体で小さなモード遷移リップルを維持します。出力電圧とデバイス構成は、内蔵のI2Cインターフェイスを介して動的にプログラムすることができます。内蔵およびオプションの高圧側電流センサーは、正確な出力電流または入力電流を制限します。Texas Instruments LM51772の平均電流制限も、I2Cインターフェイスを介して設定可能です。特徴
- 入力範囲:0V(V(BIAS) ≥ 3.5V)〜55V
- 出力電圧:1V~55V
- 以下の範囲およびステップでI2Cを介した動的Vo プログラミングが可能
- 20mVの単調なステップで3.3V~48V
- 10mVの単調なステップで1V~24V
- ピーク電流調整制御
- 小さな電圧遷移リップル全体動作モード
- 動的出力電圧追跡(デジタルPWM追跡入力、アナログ追跡入力)
- I2Cインターフェイスによるプログラミング経由
- シャットダウン静止電流:3µA
- 動作静止電流:60µA
- 外部FET制御用DRVピン
- 軽負荷時および高負荷時の高効率を実現する動作モードの選択
- 省電力モード(バースト/µスリープ)
- 自動/プログラム可能な導通モード
- 高電圧電源LDO内蔵
- 補助高電圧LDO/リファレンス
- フルブリッジゲートドライブ内蔵
- ピーク電流能力:2A
- ブートストラップ過電圧および低電圧保護
- ブートストラップダイオード内蔵
- 動作モード(昇圧、昇降圧、降圧)に依存しない固定周波数
- 強制PWMモード選択可能
- 100kHzから2.2MHzへスイッチング周波数
- 外部クロック同期およびクロック出力
- スペクトラム拡散動作選択可能
- 平均入力または出力電流センサ
- 0.5A(5mV) から7A(70mV) まで50mA(500µV) ステップでプログラム可能
- ISETピン選択可能
- I2Cインターフェイスによるモニタリング機能の読み出し
アプリケーション
- USB Type-C™電源供給(ドッキングステーション、PCモニター、デスクトップPC)
- ワイヤレス充電
- 産業用PC/堅牢PC
- バッテリバックアップユニット
- マーチャントDC/DC
- 航空電子工学/マリンソナー
- オフハイウェイ車
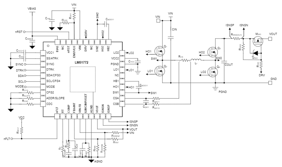
標準アプリケーション図
公開: 2024-08-16
| 更新済み: 2024-08-26
