Texas Instruments LM614xT-Q1 車載用降圧コンバータ
Texas Instruments LM614xT-Q1車載用降圧コンバータは、最適な電力密度と低EMIを実現しており、デュアルサイド冷却用に熱強化されたパッケージに収められています。これらのコンバータは、3V~36Vの入力電圧範囲、5Vの出力電圧、2.2MHzのスイッチング周波数、10Aの連続最大出力電流を特徴としています。LM614xT-Q1コンバータは、AMラジオ帯域以上および以下の周波数範囲(ピン設定可能な400kHzおよび2.2MHz固定、または200kHz~2.2MHzの間で可変)で動作します。これらのコンバータには、SWノードの立ち上がり時間の調整機能、ピン設定可能なスペクトラム拡散機能、および低入力インダクタンスパッケージが含まれます。LM614xT-Q1は、自動車アプリケーションを対象としたAEC-Q100認定を受けています。代表的なアプリケーションには、車載用インフォテインメントおよびインストルメントクラスタ、先進運転支援システム(ADAS)などがあります。LM614xT-Q1コンバータには、内蔵補償回路、ソフトスタート、電流制限、サーマルシャットダウン、UVLO機能が搭載されています。4.5mm × 3.5mmウェッタブル・フランクQFNパッケージ仕様で、接合部温度範囲は-40°C~+150°Cです。
特徴
- 車載アプリケーション向けAEC-Q100認定:
- 周囲動作温度範囲:-40°C〜125°C(温度グレード1)
- 機能安全対応:
- 機能安全システム設計を支援する文書を利用可能
- 入力電圧範囲3V~36V
- 低EMI設計:
- CISPR 25 Class 5準拠 EVM
- ピンを構成できるスペクトラム拡散
- SWノードの立ち上がり時間を調整可
- AM帯域以上および以下の動作:ピン設定可能な400kHzおよび2.2MHz固定、または200kHz〜2.2MHzの間で可変
- 低EMI対称ピン配列
- 軽負荷モードは、定周波数またはパルス周波数変調(PFM)用にピン設定可能
- 高効率設計:
- 8Aの負荷に対して95%の効率(5VOUT の場合)
- シャットダウン電流:<1µA(標準値)
- 高電力密度:
- 補償回路内蔵、ソフトスタート、電流制限、サーマルシャットダウン、UVLO機能
- 4.5mm x 3.5mmウェッタブルフランクQFNパッケージ
- 熱強化パッケージにより、露出した上部と下部の熱パッドが実現しており、RθJC(トップ) = 0.64°C/Wでのデュアルサイド冷却が可能
アプリケーション
- 車載用インフォテインメントと計器クラスタ
- 先進運転支援システム(ADAS)
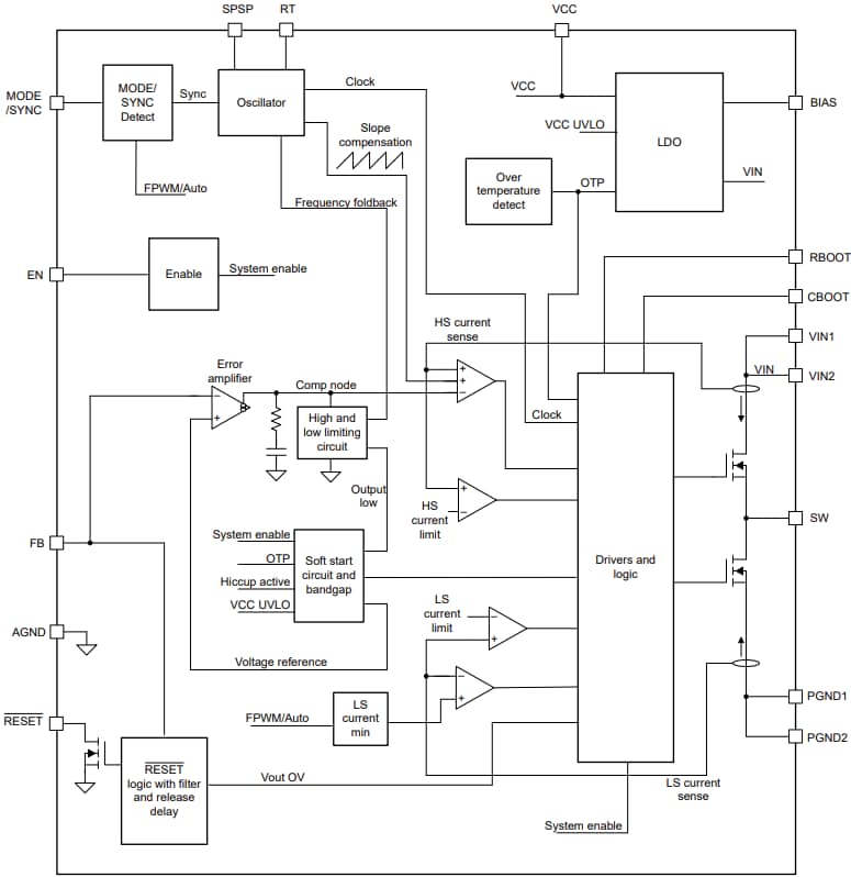
ブロック図
EVM効率(VOUT = 5V、FSW = 2.2MHz)
回路図
その他の資料
公開: 2025-01-23
| 更新済み: 2025-05-06
