Texas Instruments LM644A2-Q1 車載用降圧コンバータ
Texas Instruments LM644A2-Q1 車載用降圧コンバータは、マルチフェーズ スタッカブル機能を搭載した36V同期整流式DC/DCコンバータで、両面冷却用に熱特性強化型パッケージに収められています。このコンバータは、インターリーブされたスタック可能な電流モード制御アーキテクチャを採用しているため、簡単なループ補償、高速過渡応答、優れた負荷およびラインレギュレーションを実現しています。出力クロックによる正確な電流共有は、最大36Aの電流に対して6相をサポートします。LM644A2-Q1コンバータは、3V~36Vの入力電圧範囲、100kHz~2.2MHzのスイッチング周波数範囲を特徴としており、CISPR 25 Class 5 EMI要件に準拠しています。このコンバータは、内蔵補償と3msのソフトスタートにより、0.5µA(標準値)のシャットダウンモード電流と9µA(標準値)の無負荷時スタンバイ電流を提供します。LM644A2-Q1は、自動車アプリケーションを対象としたAEC-Q100認定を受けています。代表的なアプリケーションには、車載用コックピットとディスプレイ、車載用ADASと集中型コンピューティング、ボディエレクトロニクスおよび照明、汎用デュアル降圧コンバータなどがあります。LM644A2-Q1コンバータは、インタリーブ、ピンで有効化されたDRSS、および低入力インダクタンスを実現する対称的なVIN ピン配置を通じて、基本的なスイッチング周波数でのノイズ低減を実現しています。このコンバータは、内部固定または可変ソフトスタート、独立したイネーブル入力、内蔵VCCバイアス電源レギュレータ、ヒカップモード過負荷保護、サーマルシャットダウン保護を備えています。このLM644A2-Q1コンバータは、BLR改善のためにコーナー端子が拡大された5mm × 4mmのウェッタブルフランク付き拡張HotRod QFN 24ピンパッケージで提供されます。
特徴
- 車載アプリケーション向けにAEC-Q100認定済み:
- 動作時周囲温度:-40°C〜+125°C(デバイス温度グレード1)
- 動作時ジャンクション温度:最大150°C
- 熱特性強化型パッケージは上面と底面に露出サーマルパッドを備え、両面冷却が可能
- 低EMI設計
- グランドとのクリアランスが>1mmの対称入力電圧ピン
- ピン選択可能なスペクトラム拡散オプション
- ピン選択可能なFPWMまたは自動モード動作
- ウェッタブルフランク付き拡張HotRodd™ QFN(25)パッケージ
- スイッチング周波数範囲:100kHz~2.2MHz
- CISPR 25 Class 5 EMI要件に準拠
- シングルおよびデュアル出力機能
- 広い入力電圧範囲 3V~36V
- 1%正確な固定3.3V、5Vまたは0.8V~20Vまでの調整可能な出力
- ヒカップモード過電流保護およびヒステリシス付きサーマルシャットダウン保護
- 高精度のENABLEおよびPGOOD機能
- 高いV_IN/VOUT比のための50ns tON(min)
- 低ドロップアウトのための80ns t_OFF(min)
- 機能安全対応
- 機能安全システム設計を支援する文書を利用可能
- 多彩なデュアル出力動作:
- シャットダウンモード電流:0.5µA(標準値)
- 無負荷時のスタンバイ電流:9µA(標準値)
- 内蔵補償と3msソフトスタート
- 独立した精度ENABLEおよびPGOOD
- 適応可能な単一出力動作
- 8A負荷、単出力、VIN =12V、VOUT = 5Vで95%の効率性
- 外部補償と調整可能ソフトスタート
- PGOOD、SYNCIN、SYNCOUT 関数
アプリケーション
- 車載用コックピットとディスプレイ
- 車載用ADASと集中型コンピューティング
- ボディエレクトロニクスおよび照明
- 汎用デュアル降圧コンバータ
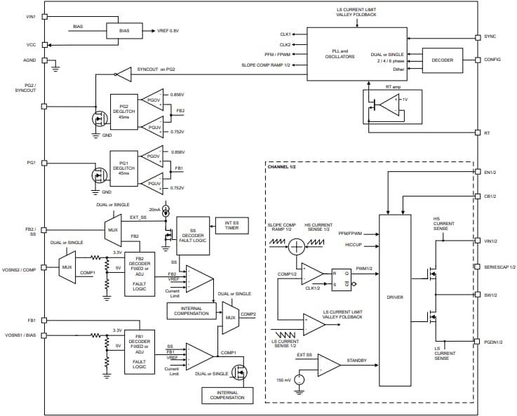
機能ブロック図
その他の資料
公開: 2025-01-23
| 更新済み: 2025-05-06
