同期インターリーブを用いた相スタック(並列接続)に対応したLM65680/60/40のピーク電流モード制御アーキテクチャは、並列化された各相間での正確な電流シェアをサポートし、より高い出力電流を実現しますAUTOモードは軽負荷動作時に周波数フォールドバックを有効にし、高い軽負荷効率とわずか2.2µAの無負荷入力電流を達成することで、バッテリ駆動システムの動作時間を延長します。ハイサイドスイッチの最小オン時間36nsにより大きな降圧比が可能となり、24Vまたは48V入力から低電圧レールへの直接変換を実現し、システムコストと複雑さを低減します。パッケージは、重要な電源ピン間に複数のNCピンを配置しており、故障モード影響解析(FMEA)の結果を改善します。
LM65680/60/40は、信頼性向上のためにピン間のクリアランスを拡大した、4.5mm × 4.5mmの熱強化型26ピン eQFNパッケージで提供されます。また、製造時の光学検査を容易にするウェッタブルフランクピンも含まれています。フリップチップ ルータブル リードフレーム(FCRLF)パッケージング技術を活用することで、実用可能な電流、寿命信頼性、およびコスト面での利点を備えたLM65680/60/40は、高電力密度を必要とするアプリケーションをターゲットとしています。広い入力電圧範囲、低い静止電流、高温動作、サイクルごとの電流制限、低EMIシグネチャ、および小さな設計フットプリントにより、強化された堅牢性と耐久性が求められるアプリケーションに最適なポイントオブロード レギュレータとなっています。
特徴
- 機能安全に対応、IEC 61508-2システム設計を支援する文書を利用可能
- 汎用性の高い同期整流降圧コンバータファミリ
- 広い入力電圧範囲: 3.5V~65V
- 出力電流オプション:4A、6A、8A
- 0.8V〜60Vの可変出力電圧、または3.3Vおよび5Vの固定出力オプション
- 最大ジャンクション温度:150°C
- 高降圧比変換を実現する36nsのtON(min)
- ZEN 1 スイッチャ テクノロジー
- CISPR 11または32 クラスBへの準拠を容易化
- 対称的なピン配列設計と最小限のLLOOP を備えた拡張HotRod™ QFN(eQFN)パッケージ
- スペクトラム拡散(DRSS)およびスイッチングスルーレート制御によりピーク放射を低減
- スイッチング周波数300kHz~2.2MHz
- AUTO、FPWM、またはSYNC動作
- 全負荷電流範囲にわたって高い変換効率を実現
- 95%(48VIN、12VOUT、8A、400kHz時)
- より高い出力電流に対応する多相スタック(並列接続)が可能
- BIASオプションを備えたデュアル入力VCC サブレギュレータ
- VIN スリープ静止電流:最小1.8µA
- 最適化されたピン配置設計と、隣接ピン間短絡テストに対応する1.1mmのVIN - PGND間クリアランスによる信頼性の向上
アプリケーション
- 小型産業用オートメーション、試験、および計測
- 医療用画像処理システム、エネルギーインフラ
- エンタープライズシステム、ワイヤレスインフラ
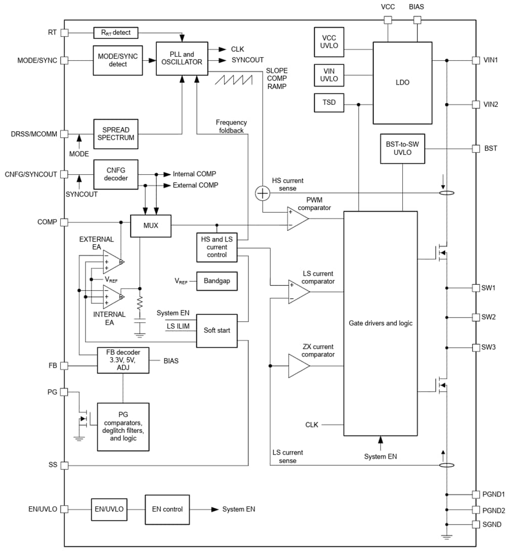
機能ブロック図
公開: 2026-01-22
| 更新済み: 2026-01-27

