Texas Instruments LM704A0-Q1降圧コンバータ
Texas Instruments LM704A0-Q1降圧コンバータは、4.5V〜45Vの入力電圧範囲に対応し、固定出力電流3.3V、5V、12V、または調整可能な出力で最大10Aの出力電流を供給できます。LM704A0-Q1の低アイドル電流(low-IQ)、広い入力電圧範囲(wide-VIN)に対応した同期式降圧コンバータは、ピーク電流モード制御アーキテクチャを採用しており、簡単なループ補償、高速な過渡応答、優れた負荷およびラインレギュレーションを実現します。LM704A0-Q1コンバータを2台組み合わせてインタリーブモード(出力並列接続)で構成することができ、最大20Aの出力電流を必要とするアプリケーションにおいて、正確な電流分担が可能です。TI LM704A0-Q1は、ユニークなデュアルスペクトラム拡散(DRSS)機能を備えており、低周波の三角波変調と高周波のサイクル毎ランダム変調を組み合わせて、広範な周波数帯域でのEMI性能を向上させます。
LM704A0-Q1は、自動車アプリケーションを対象としたAEC-Q100認定を受けています。
特徴
- 自動車向けにAEC-Q100認証を取得済で、動作温度範囲はグレード1で-40°C〜+125°C
- 機能安全システムの設計に役立つ機能安全対応の資料を利用可能
- 汎用性の高い降圧型コントローラと堅牢なパワーMOSFETを搭載した同期式DC/DCコンバータ
- 広い入力電圧範囲 4.5V~45V
- シャットダウンモード電流:2.3µA
- 静止電流(IQ):15.5µA(12Vから5Vの変換時)
- 固定出力:3.3V、5V、12V、調整可能出力:0.8V〜36V、精度:1%
- デュアルフェーズ動作による最大出力電流:16A
- 低EMI要件に対応した設計
- CISPR 25クラス5規格準拠をサポート
- ピン選択可能な±8%のデュアルランダムスペクトラム拡散により、ピークエミッションを低減
- スイッチング周波数:200kHz〜2.2MHz
- ピン設定可能なAUTOまたはFPWM動作
- 堅牢な設計のための固有の保護機能
- 内部ヒカップモード過電流保護
- イネーブル、パワーグッド、サーマルシャットダウン
- 内部または外部ループ補償
- 6mm x 6mm熱最適化、RoHS準拠QFN-29パッケージ、鉛フリーメッキ
- WEBENCH® Power Designerを使用した、LM704A0-Q1を使ったカスタム設計を作成
アプリケーション
- 車載電子システム
- 先進運転支援システム(ADAS)
- インフォテインメントとクラスタ
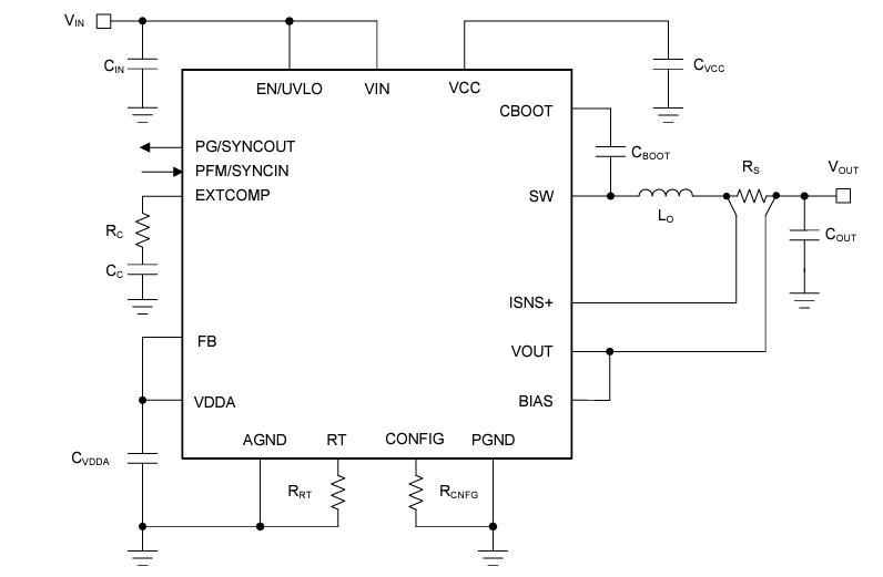
標準アプリケーション回路
その他のリソース
公開: 2024-10-29
| 更新済み: 2025-05-09
