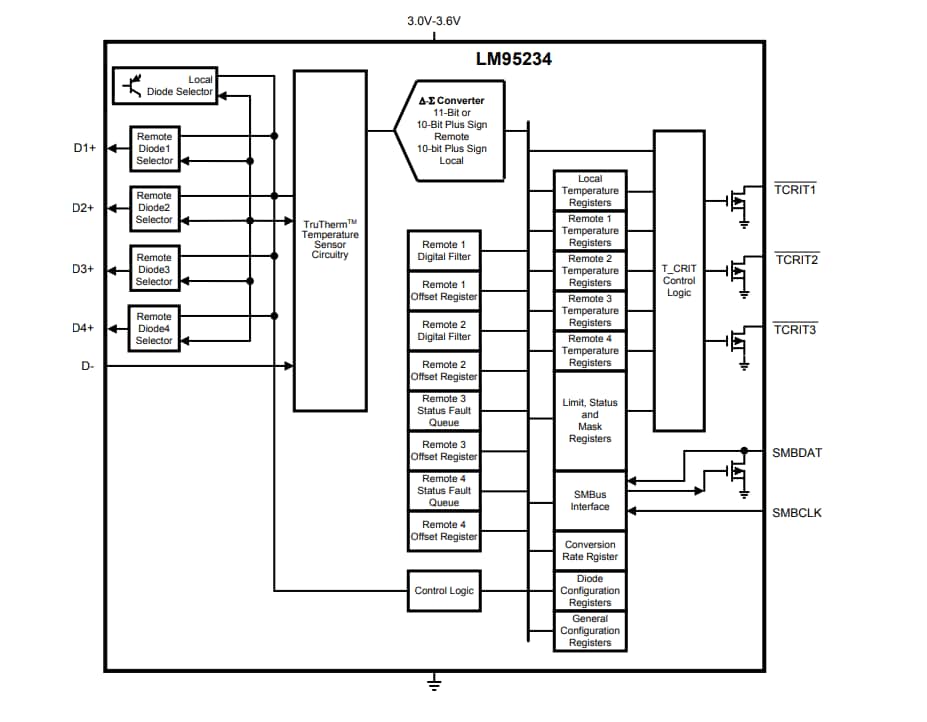
LM95234センサは、+127.875°C/–128°Cの範囲と0°C/255°Cの範囲を対象とした2つの異なる形式で温度を報告します。LM95234 TCRIT1、TCRIT2、TCRIT3出力は、あらゆるマスクされていないチャンネルが対応するプログラマブル制限値を超えるとオフに設定されます。また、これらの出力を使用して、システムをシャットダウンしたり、システムファンまたはマイクロコントローラ割込機能をオンにできます。ステータスレジスタは、TCRIT出力のさらなる制御に利用できるマスクレジスタを使用してTCRIT1、TCRIT2、TCRIT3ピンの電流ステータスを読み取ります。
LM95234の各チャンネルには、サブミクロン・プロセスまたは2N3904ダイオード・モデル選択用のレジスタに加えてオフセット補正が搭載されており、最適な柔軟性と精度を実現できます。3レベルのアドレスピンは、最大3台のLM95234を同じSMBusマスタに接続することに対応しています。プログラマブル変換レート、シャットダウンモード、使用していないチャンネルの無効化をはじめとする省電力機能をLM95234で利用できます。
特徴
- ローカル温度精度: ±2.0°C(最大)
- リモートダイオード温度精度: ±0.875°C(最大)
- 供給電圧: 3.0V~3.6V
- 平均供給電流(1Hz変換レート)
- 4つのリモートICのダイ温度またはダイオード接合部と局部温度の正確なセンシング
- TruTherm BJTベータ補償テクノロジによって、サブミクロンプロセス熱ダイオードを正確にセンシング
- プログラマブル・デジタル・フィルタとアナログ・フロント・エンド・フィルタ
- 0.125°C LSb温度分解能
- 0.03125°C LSbリモート温度分解能(デジタルフィルタが有効の場合)
- +127.875°C/–128°C、0°C/255°Cリモート範囲
- リモートダイオード故障検出、モデルの選択、オフセット是正
- マスクとステータスレジスタ・サポート
- 3つのプログラマブルTCRIT出力(プログラマブル共有ヒステリシスおよび障害キュー搭載)
- プログラマブル変換レートとシャットダウンモード・ワンショット変換制御
- SMBus 2.0互換インターフェイス、TIMEOUTに対応
- 3レベルのアドレスピン
- 14ピンWSONパッケージ
アプリケーション
- プロセッサ/コンピュータシステム温度管理(例: ノートパソコン、デスクトップ、ワークステーション、サーバ)
- 電子試験装置
- オフィス用電化製品
ブロック図
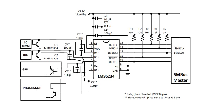
代表的なアプリケーション
Additional Resources
公開: 2019-05-28
| 更新済み: 2023-10-31

