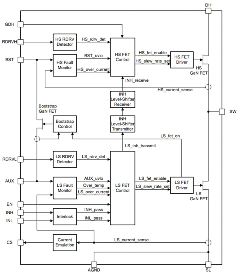
Texas Instruments LMG2656 650V GaNパワーFETハーフブリッジ
テキサス・インスツルメンツ(Texas Instruments)LMG2656 650V GaNパワーFETハーフブリッジは、ハーフブリッジパワーFET、ゲートドライバ、ブートストラップFET、ハイサイドゲート駆動レベルシフタを6mm× 8mm QFNパッケージに統合することで、設計を簡素化し、部品数を削減し、ボードスペースを削減します。プログラム可能なターンオンスルーレートにより、EMIとリンギングを制御できます。ローサイド電流検出エミュレーションによって、従来の電流検出抵抗器に比べて電力損失が低減され、ローサイド熱パッドをPCB電源接地に接続できます。ハイサイドGaNパワーFETは、ローサイドリファレンスゲート駆動ピン(INH)またはハイサイドリファレンスゲート駆動ピン(GDH)のいずれかで制御できます。ハイサイドゲートドライブ信号レベルシフタは、厳しい電力スイッチング環境において、INHピン信号をハイサイドゲートドライバに確実に送信します。スマートスイッチGaNブートストラップFETには、ダイオード順方向電圧降下がなく、ハイサイド電源の過充電を回避し、ゼロ逆回復電荷があります。
テキサス・インスツルメンツ(Texas Instruments)LMG2656は、コンバータ軽負荷効率要件とバーストモード動作をサポートしており、自己消費電流が小さく高速起動時間が備わっています。保護機能として、FETターンオンインターロック、低電圧ロックアウト(UVLO)、サイクルごとの電流制限、過熱シャットダウンなどを備えています。超低スルーレート設定は、モータ駆動アプリケーションに対応しています。
特徴
- 650V GaNパワーFETハーフブリッジ
- 230mΩローサイドおよびハイサイドGaN FET
- <>
- プログラマブル・ターンオン・スルーレート制御
- 高帯域幅と高精度が備わった電流センスエミュレーション
- ローサイド基準(INH)とハイサイド基準(GDH)のハイサイドゲートドライブピン
- ローサイド(INL)/ ハイサイド(INH)ゲートドライブインターロック
- ハイサイド(INH)ゲートドライブ信号レベルシフタ
- スマートスイッチドブートストラップダイオード機能
- ハイサイドの起動: <>
- ローサイド/ハイサイド・サイクル・バイ・サイクル過電流保護
- 温度過昇保護
- AUXアイドル静止電流: 250µA
- AUXスタンバイ静止電流: 50µA
- BSTアイドル静止電流: 70µA
- デュアルサーマルパッド付き8mm × 6mm QFNパッケージ
アプリケーション
- AC/DCアダプタと充電器
- AC/DC補助電源
- モバイル壁かけチャージャ設計
- USB壁コンセント用電源
機能ブロック図
公開: 2025-08-27
| 更新済み: 2025-09-09
