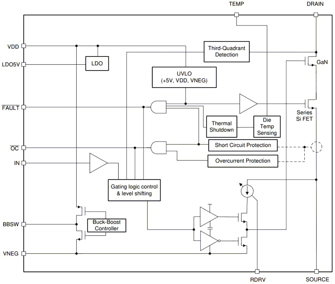
Texas Instruments LMG342xR030は、最大150 V/nsのスイッチング速度を可能にするシリコンドライバを内蔵しています。TIの統合型高精度ゲートバイアス電圧は、ディスクリートシリコンゲートドライバと比較してより広いスイッチングSOAをもたらします。この統合とTIの低インダクタンスパッケージの組み合わせにより、ハードスイッチング電源トポロジにおいて、クリーンなスイッチングとリンギングの最小化を実現しています。調整可能なゲートドライブ強度により、スルーレートを20 V/ns〜150 V/nsまで制御でき、EMIを積極的に制御してスイッチング性能を最適化します。LMG3425R030は理想ダイオードモードを搭載しており、アダプティブデッドタイム制御を実装することで、第三象限損失を低減します。
高度な電源管理機能として、デジタル温度通知とフォルト検出を備えています。GaN FETの温度は、可変デューティサイクルPWM出力を介して通知されるため、デバイスの負荷管理が簡素化されます。通知される障害には、過熱、過電流、UVLO監視などがあります。
特徴
- ハードスイッチングトポロジでJEDEC JEP180の認定を取得済み
- ゲートドライバ内蔵の600V GaN-on-Si FET
- 高精度のゲートバイアス電圧を内蔵
- CMTI:200V/ns
- スイッチング周波数:2.2MHz
- 30V/ns~150V/nsのスルーレートによりスイッチング性能の最適化とEMI軽減を実現
- 7.5V〜18V電源で動作
- 高度な電源管理
- デジタル温度PWM出力
- 理想ダイオードモードによりLMG3425R030の第三象限損失を低減
- 堅牢な保護
- 応答時間が100ns未満のサイクル毎の過電流保護とラッチ付き短絡保護
- ハードスイッチング時のサージ耐性:720V
- 内部過熱からの自己保護とUVLO監視
アプリケーション
- 高密度産業用電源
- ソーラーインバータと産業用モータドライブ
- 無停電電源装置
- 商用ネットワークとサーバーPSU
- 商用テレコム整流器
機能ブロック図
公開: 2022-03-31
| 更新済み: 2025-08-08

