Texas Instruments LMG3522R030/LMG3522R030-Q1 650V 30mΩGaN FET
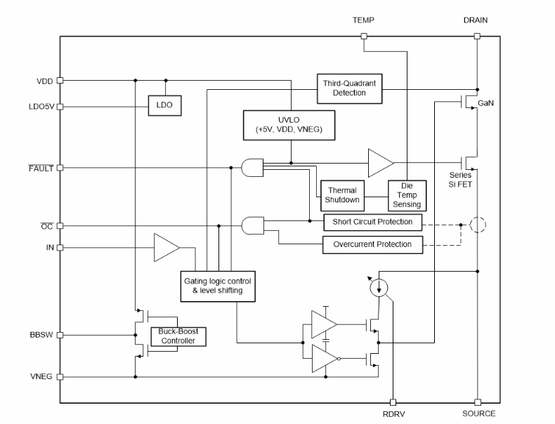
Texas Instruments LMG3522R030/LMG3522R030-Q1 650V 30mΩ GaN FETには、統合ドライバと保護が搭載されており、スイッチモードパワーコンバータを対象としています。LMG3522R030/LMG3522R030-Q1には、最大150V/nsのスイッチング速度が可能になるシリコンドライバが統合されています。デバイスは、TI ’ の集積・高精度ゲートバイアスを実装しており、ディスクリート・シリコン・ゲートドライバよりも大きなスイッチングSOAをもたらします。TI ’ の低インダクタンスパッケージと組み合わせたこの集積により、ハードスイッチング電源トポロジでのわかりやすいスイッチングとリンギングの最小化を実現します。調整可能なゲートドライブ強度によって、20V/ns~150V/nsのスルーレートの制御が可能になります。これは、EMIの制御とスイッチング性能の積極的な最適化に使用できます。TI LMG3522R030/LMG3522R030-Q1 650V 30mΩGaN FETには、デジタル温度レポートと障害検出をはじめとする高度なパワーマネジメント機能があります。レポートされる障害には、温度過昇、過電流、UVLO監視があります。LMG3522R030-Q1は、車載用アプリケーションのAEC-Q100認定を受けています。
特徴
- 650V GaN-on-Si FET(ゲートドライバを集積)
- 集積高精度ゲートバイアス電圧
- 200V/ns FETホールドオフ
- 2MHzのスイッチング周波数
- スイッチング性能の最適化とEMIの緩和を実現する20V/ns ~150V/nsスルーレート
- 7.5V~18Vの電源での動作
- 高度パワーマネジメント
- デジタル温度PWM出力
- 堅牢な保護機能
- 100ns <応答によるサイクルごとの過電流およびラッチ付き短絡保護
- ハードスイッチング中に720Vサージに耐える
- 内部温度からの自己保護機能とUVLO監視機能
- 上面から放熱する12mm x 12mm VQFNパッケージにより、電気経路と熱経路を分離することで電力ループ・インダクタンスの最小化を実現
アプリケーション
- スイッチモード・パワー・コンバータ
- 加盟店ネットワークおよびサーバーPSU
- マーチャント・テレコム整流器
- ソーラーインバータと産業用モータドライブ
- 無停電電源装置
簡略ブロック図
機能ブロック図
公開: 2022-12-20
| 更新済み: 2023-09-07
