Texas Instruments LMG3526R030ドライバ内蔵 GaN FET
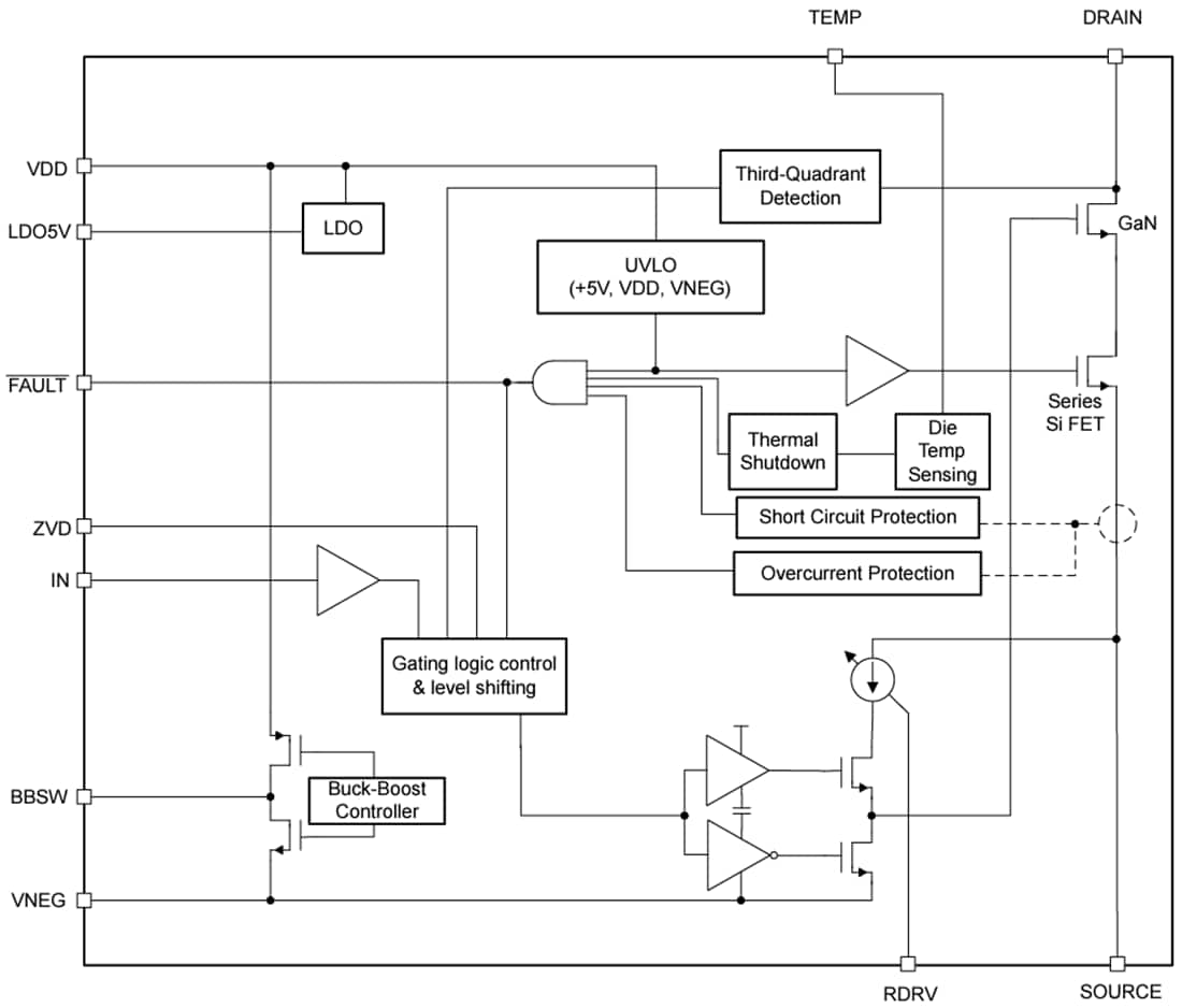
Texas Instruments LMG3526R030 ドライバ内蔵GaN FETは、保護機能を備え、スイッチモード電源コンバータを対象としており、設計者は新たな電力密度と効率レベルを実現することができます。LMG3526R030は、最大150V/nsのスイッチング速度を可能にするシリコンドライバを集積しています。TIの統合高精度ゲートドライバは、ディスクリートのシリコン・ゲートドライバよりも高いスイッチングSOAを実現します。この統合とTIの低インダクタンス・パッケージの組み合わせにより、ハード・スイッチング電源トポロジーで、クリーンなスイッチングと最小限のリンギングを実現します。調整可能なゲートドライブ強度により、スルーレートを20V/ns~150V/nsの範囲で制御することができ、EMI の制御やスイッチング性能の最適化に積極的に使用できます。高度な機能として、デジタル温度レポート、障害検出、ゼロ電圧検出(ZVD)などがあります。GaN FETの温度は、可変デューティサイクルのPWM出力により通知されます。報告される障害には、過熱、過電流、UVLOの監視があります。ZVD機能は、ゼロ電圧スイッチング(ZVS)が実現されたときに、ZVDピンからパルス出力を提供できます。
特徴
- 650V GaN-on-Si FET(ゲートドライバを集積)
- 集積高精度ゲートバイアス電圧
- 200V/ns FETホールドオフ
- 2MHzのスイッチング周波数
- スイッチング性能の最適化とEMIの緩和を実現する20V/ns ~150V/nsスルーレート
- 7.5V~18Vの電源での動作
- 堅牢な保護機能
- サイクル単位の過電流保護とラッチ付き短絡保護(100ns未満の応答時間)
- ハードスイッチング中のサージ耐性:720V
- 内部温度からの自己保護機能とUVLO監視機能
- 高度電源管理
- デジタル温度PWM出力
- 上面冷却型12mm×12mmVQFN パッケージにより電気経路と熱経路が分離され、電力ループ インダクタンスが最小限に抑えられます
- ソフトスイッチングコンバータを容易にするゼロ電圧検出機能
アプリケーション
- スイッチモード・パワー・コンバータ
- 加盟店ネットワークおよびサーバーPSU
- マーチャント・テレコム整流器
- ソーラーインバータと産業用モータドライブ
- 無停電電源装置
機能ブロック図
公開: 2023-06-19
| 更新済み: 2024-07-25
