Texas Instruments LMH32404/LMH32404-Q1トランスインピーダンスアンプ
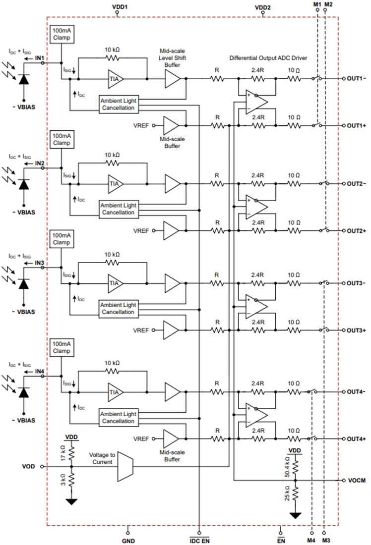
Texas Instruments LMH32404/LMH32404-Q1トランスインピーダンス・アンプ(TIA)は、クワッドチャンネル、シングルエンド入力-差動出力TIAで、光検出と測距(LIDAR)アプリケーションおよびレーザー距離測定システムを対象としています。LMH32404/LMH32404-Q1には、各チャネルにアンプを保護する集積100mAクランプがあり、機器が過負荷入力状態から急速に回復することができます。LMH32404/LMH32404-Q1は、システムコストの削減に加えてボードのスペースを節約するためにフォトダイオードとアンプの間のACカップリングの代わりに使用できる、各チャネルの集積周囲光キャンセレーション(ALC)回路も備わっています。DCおよび低周波数コンテンツの測定時に、ALCループを無効にする必要があります。各LMH32404/LMH32404-Q1チャンネルには、差動出力アンプを出力ピンから切断してチャンネルをスタンバイモードにするための統合スイッチがあります。異なるチャンネル間で切り替える場合、遷移時間はわずか10nsです。Texas Instruments LMH32404/LMH32404-Q1は、ENピンを使用して低消費電力モードにすることができ、アンプを使用していない間に電力を節約できます。LMH32404-Q1は、車載用アプリケーションを対象としたAEC-Q100認定を受けています。
特徴
- 20kΩゲイン
- 性能、CPD = 1pF
- 帯域幅:350MHz
- 入力換算ノイズ:56nARMS
- 上昇、下降時間:1.25ns
- 28mA/チャンネル静止電流
- 10mA/チャンネル・スタンバイ・モード
- 2.5mA(4チャンネル)低消費電力モード
- チャンネルスイッチング時間:10ns
- 環境光キャンセル機能を内蔵
- 集積100mA保護クランプ
- 4つの入力チャネルおよび4つの差動出力チャネル
- 統合マルチプレクサによって、光センサとADC/TDCの間の柔軟性に富んだ構成が可能
- 複数のLMH32404を並列に組み合わせて、より広い視野(FoV)を作成可能
- 温度範囲:–40°C~+125°C
アプリケーション
- 機械的スキャンLIDAR
- ソリッドステート・スキャニングLIDAR
- レーザー距離計
- 安全エリアスキャナ
機能ブロック図
公開: 2021-10-11
| 更新済み: 2023-01-23
