Texas Instruments LMK5C33216超低ジッタ・クロックシンセサイザ
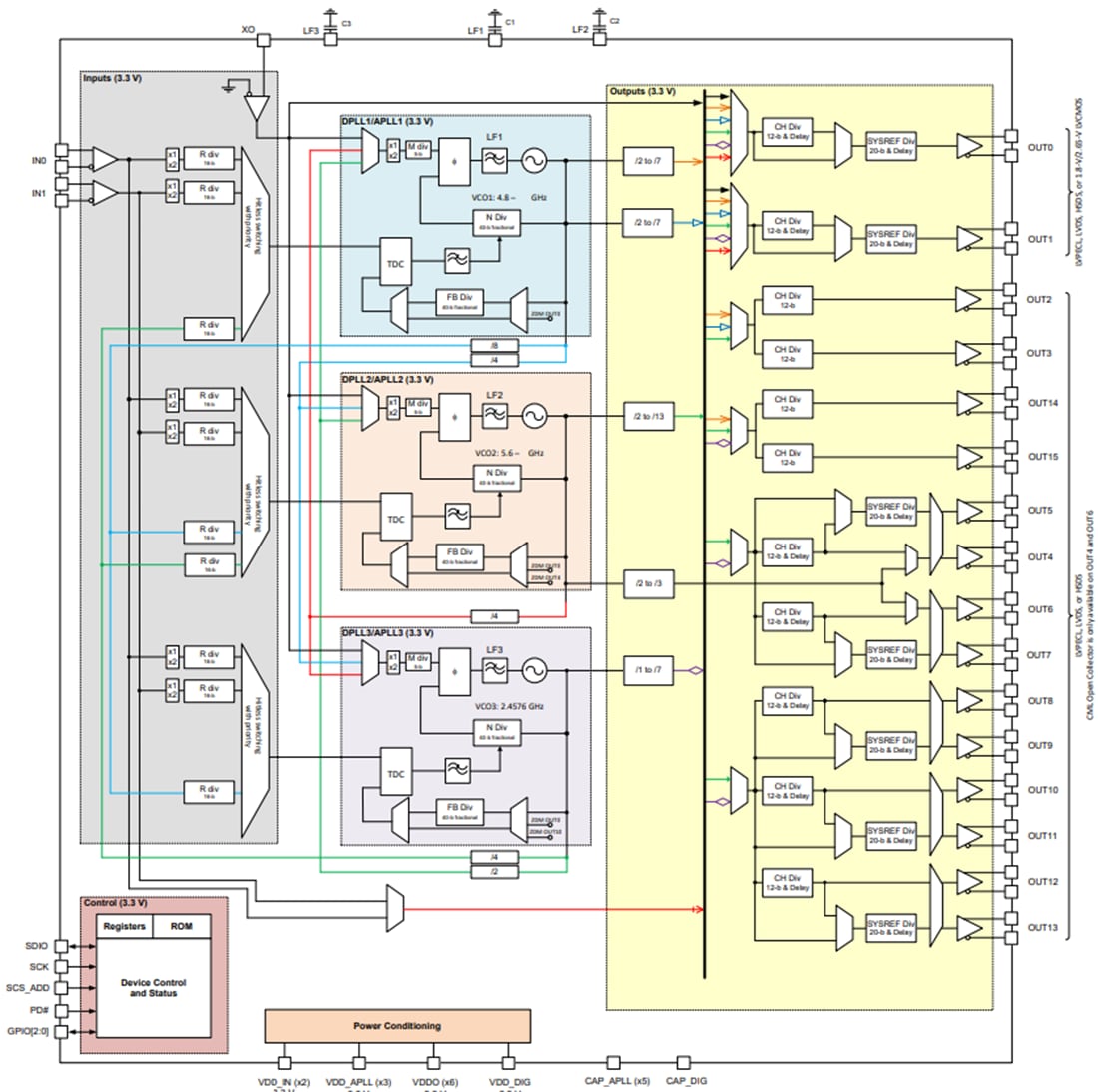
Texas Instruments LMK5C33216超低ジッタ・クロックシンセサイザは、高性能ネットワーククロック発生器、シンセサイザ、ジッタアッテネータです。通信インフラ・アプリケーションの厳しい要件に適合するように設計された高度リファレンスクロック選択とヒットレス・スイッチング機能が備わっています。LMK5C33216には、プログラマブル・ループ帯域幅が備わっている3つのDPLLと外部ループフィルタが集積されており、柔軟性と使いやすさを最大限に高めることができます。各DPLL位相は、ペアになったAPLLをDPLLリファレンス入力にロックします。APLLリファレンスは、長範囲の周波数精度を決定します。3つのAPLLは、ペアリングされているDPLLとは独立して動作し、プログラマブル周波数変換を実現するために別のAPLLからカスケード接続できます。APLL3は、TI独自のバルク音響波(BAW)VCBO技術が採用されている超高性能PLLが特徴で、XOおよびリファレンス入力のジッターと周波数に依存しない40fsRMSジッターをともなう出力クロックを生成できます。APLL1およびAPLL2は、追加の周波数領域のオプションを実現します。Texas Instruments LMK5C33216は、I2CまたはSPIインターフェイスから完全にプログラミングできます。オンボードEEPROMを使用してシステムの起動クロックをカスタマイズできます。
特徴
- BAW APLL(491.52MHzで40fs RMSジッタ)
- ペアになったアナログ位相ロックループ(APLL)が搭載された高性能デジタル位相ロックループ(DPLL)3個
- プログラマブルDPLLループ帯域幅(0.01Hz~4kHz)
- TDCレートが≥ 20MHzの122.88MHz DPLL TDCノイズで-116dBc/Hz @ 100Hzオフセット
- 2つの差動入力またはシングルエンドDPLL入力
- 1Hz~800MHz差動
- 位相キャンセレーションおよび/または位相スルー制御を用いたヒットレス・スイッチング
- 優先順位に基づいたリファレンス選択
- プログラマブル形式での16の出力
- 1000MHz LVPECL/LVDS/HSDS
- OUT4およびOUT6で3000MHz CML
- OUT0およびOUT1で200MHz LVCMOS
- 3.3V単一電源で、内部LDOを搭載
- I2Cまたは3線式/4線式SPIインターフェイス
- 単一のXO/TCXO/OCXOが必要
- 40ビットDPLLまたはAPLL DCO、< 1ppt
- 終了時に位相ビルドアウトをともなうホールドオーバー
- 遅延をプログラミングできるゼロ遅延モード
- ユーザー・プログラマブルEEPROM
- 105°C PCB温度をサポート
アプリケーション
- 4Gおよび5Gワイヤレスネットワーク
- ベースバンド装置(BBU)
- アクティブ・アンテナ・ユニット(AAU)
- 遠隔無線ユニット(RRU)
- ネットワークスイッチ(5Gハブ)
- 小型セル
機能ブロック図
公開: 2021-02-10
| 更新済み: 2022-03-11
