Texas Instruments LMQ62440-Q1同期降圧コンバータ
Texas Instruments LMQ62440-Q1低EMI同期降圧コンバータは、高性能DC-DC同期バックコンバータで、バイパスコンデンサが集積されています。高圧側および低圧側MOSFETが集積されており、3.0V〜36Vの広い入力範囲で最大4Aまでの出力電流が供給されます。また、42Vトレランスは、400msの期間のロードダンプをサポートしています。デバイスには、出力でのオーバーシュートを排除するドロップアウトからのソフトリカバリが実装されています。デバイスは、最小限のEMIを目的に特別に設計されています。疑似ランダムスペクトラム拡散、集積バイパスコンデンサ、調整できるSWノードの立ち上がり時間、低スイッチノードリンギングを特徴とする低EMI VQFN-HRパッケージ、使いやすさを目的に最適化されたピン配置が組み込まれています。スイッチング周波数は、200kHz~2.2MHzの間または同期させることができ、ノイズに敏感な周波数帯域を回避できます。また、低動作周波数で効率を向上させるために周波数を選択したり、高動作周波数でより小さなソリューションサイズにすることもできます。自動モードによって、軽負荷での動作時に周波数フォールドバックが可能になり、わずか7µA(標準)という無負荷電流消費および高軽負荷効率が実現します。非常に低いMOSFET ON抵抗と外部バス入力とともに、PWMモードとPFMモードの間のシームレスな移行によって、負荷範囲全体で比類のない効率性が確保されます。Texas Instruments LMQ62440-Q1は、14ピンVQFN-HRパッケージ(ウェッタブルフランク)でご用意があります。電気的特性は、–40°C~+150°Cの接合部温度範囲に指定されています。
特徴
- 車載アプリケーション向けAEC-Q100認定
- –40°C~+150°C、TJ温度グレード 1
- 機能安全対応
- 機能安全システム設計を支援する文書を利用可能
- 超低EMI要件向けに最適化済
- CISPR25 class 5基準に適合
- スイッチノードのリンギングを最小化するHotrod™パッケージ
- 内部バイパスコンデンサによってEMIを削減
- 寄生インダクタンスを最小化するパラレル入力経路
- ピーク放射を低減する拡散スペクトラム
- スイッチノードの立ち上がり時間を調整可
- 頑丈な車載アプリケーション向け設計
- 42V負荷ダンプをサポート
- 4A負荷(標準)で0.4Vドロップアウト
- すべての負荷での効率性の高い電力変換
- 13.5VIN、3.3VOUTでの7µA無負荷電流
- 1mA、13.5VIN、5VOUTで90% PFM効率性
- MOSFET ON抵抗が低い
- RDS_ON_HS = 41mΩ(標準)
- RDS_ON_LS = 21mΩ(標準)
- 効率性向上のための外部バイアスオプション
アプリケーション
- 車載インフォテインメントとクラスタ: ヘッドユニット、メディアハブ、USB充電、ディスプレイ
- 車載ADASと車体エレクトロニクス
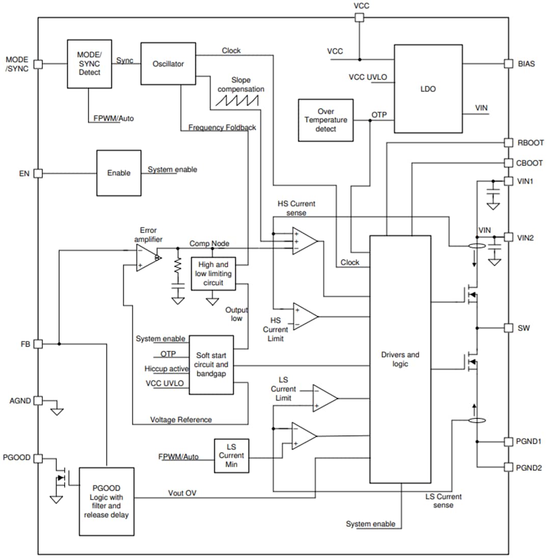
機能ブロック図
公開: 2021-01-19
| 更新済み: 2022-03-11
