Texas Instruments LMR140x0 SIMPLE SWITCHER®降圧型レギュレータ
Texas Instruments LMR140x0 SIMPLE SWITCHER®降圧型レギュレータは、統合型ハイサイドMOSFETを内蔵した40V 2A (LMR14020)、3.5A (LMR14030) または5.0A (LMR14050) の降圧型レギュレータです。4V~40Vの広範な入力範囲、これらの製品は、工業用から車載用まで、非安定化源からの電力調節用を目的としたさまざまなアプリケーションに最適です。レギュレータの零入力電流はスリープモードで40µAあり、バッテリ駆動のシステムにとって安定的です。シャットダウンモードでの超低1µA電流は、バッテリ寿命をさらに延長することができます。スイッチング周波数の範囲が広いため、効率と外部部品サイズのいずれかを最適化できます。ループ補償回路が内蔵されているため、ユーザーはループ設計という面倒な作業をする必要がありません。デバイスの外付け部品数も最低限度まで削減します。特徴
- 4V to 40V input range
- Available with 2A (LMR14020), 3.5A (LMR14030) or 5.0A (LMR14050) continuous output current
- Ultra-low 40µA operating Quiescent current
- 90mΩ high-side MOSFET
- Minimum switch-on time: 75ns
- Current mode control
- Adjustable switching frequency from 200kHz to 2.5MHz
- Frequency synchronization to external clock
- Internal compensation for ease of use
- High duty cycle operation supported
- Precision enable input
- 1µA shutdown current
- External soft-start
- Thermal, overvoltage, and short protection
- 8-Pin HSOIC with PowerPAD™ package
アプリケーション
- Automotive battery regulation
- Industrial power supplies
- Telecom and datacom systems
- Battery powered system
ビデオ
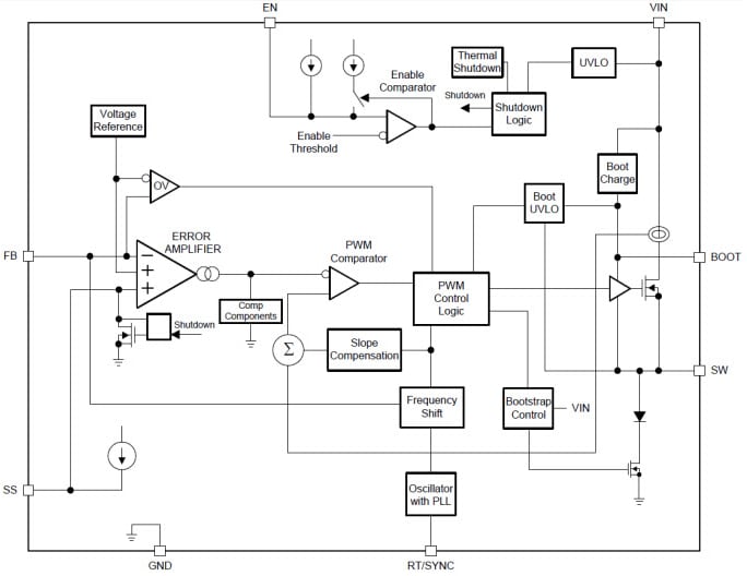
Functional Block Diagram
Additional Resources
公開: 2015-03-23
| 更新済み: 2022-03-11
