Texas Instruments LMR23615/LMR23615-Q1降圧コンバータ
Texas Instruments LMR23615/LMR23615-Q1 SIMPLE SWITCHER®降圧型コンバータは、使い勝手の良い36V 1.5A同期降圧型レギュレータです。4.5V~36Vの広範な入力範囲で、これらの製品は、産業用から車載用まで、非安定化源からの電力調節用を目的としたさまざまなアプリケーションに最適です。ループ補償およびサイクルバイサイクル電流制限の簡単な制御を実現させるために、ピーク電流モード制御が採用されています。75µAの自己消費電流によって、バッテリ駆動システムに最適です。超低2µAシャットダウン電流は、バッテリ寿命をさらに延長することができます。ループ補償回路が内蔵されているため、ユーザはループ設計という面倒な作業をする必要がありません。外付け部品数も最低限度まで削減します。LMR23630-Q1デバイスは、車載用アプリケーションを対象としたAEC-Q100認定を受けています。特徴
- 4V~36Vの入力範囲
- 1.5Aの連続出力電流
- 同期整流器内臓
- 内部補償あり電流モード制御
- 最低スイッチオンタイム: 60ns
- 調整可能なスイッチング周波数
- 軽負荷でのPFMモード
- 外部クロックへの周波数同期
- 75µAの自己消費電流
- プレバイアス負荷へのソフトスタート
- 高負荷サイクル動作に対応済
- ヒカップモード付き出力短絡保護
- 熱保護
- PowerPAD™搭載の12ピンWSONウェッタブル・フランク・パッケージ
アプリケーション
- 工場とビルディングオートメーションシステム: PLC CPU、HVAC制御、エレベータ制御
- フリート管理、スマートグリッド、セキュリティ向けGSM、GPRSモジュール
- 汎用ワイドVINレギュレーション
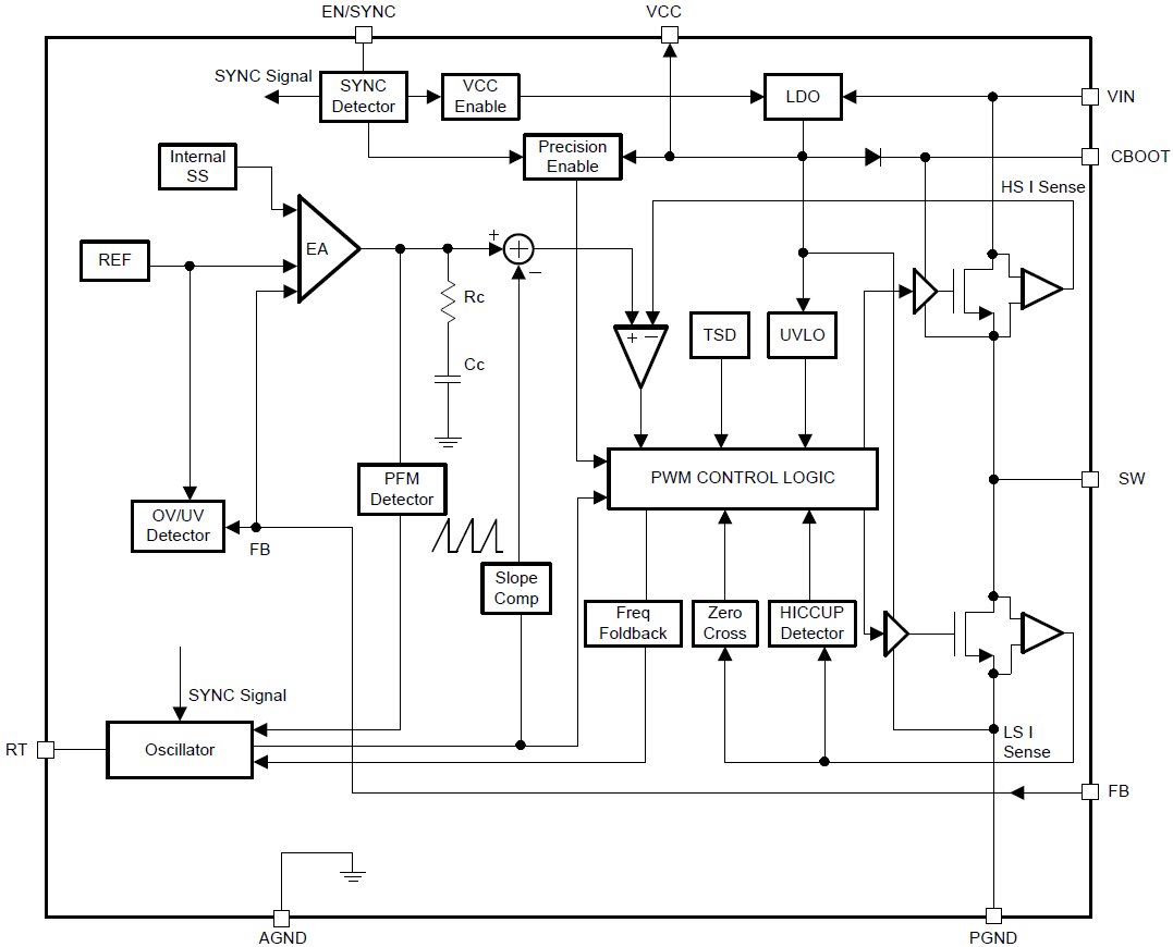
機能ブロック図
公開: 2018-04-06
| 更新済み: 2022-11-22
